39 1998 chevy silverado ac diagram
AC Control Panel: http://amzn.to/1Z1LAwFIn this video I show you how to repair and replace your air conditioning control module in your 1990's Chevrolet or G... This typical circuit diagram of the blower motor and blower resistor circuit applies to the 1996, 1997, 1998, 1999 Chevrolet/GMC 1500, 2500, and 3500 Pick Ups.
Chevy CK Pickup 1998, A/C Compressor Kit by Four Seasons®. Products are engineered and tested to provide years of trouble free operation. Backed by over 50 years of mobile A/C experience, fix it once and fix it right with Four Seasons. OE style molded connectors Precision engineered. $211.72 - $241.45.

1998 chevy silverado ac diagram
Air Conditioning Chevrolet Suburban K1500 1998 System Wiring Diagrams For Cars. In Column Ignition Switch Wiring Diagram Needed. Wiring Diagram For Brake Switch Connector A 1998 Chevy Silverado. Er Motor Circuit Diagram 1996 1999 Chevy Gmc Pick Up. Want To Know If You Can Give Me A Wiring Diagram From The Ac Relay Aculator And Compressor For ... SYSTEM WIRING DIAGRAMS 1995 Chevrolet Tahoe 1995 System Wiring Diagrams Chevrolet - Tahoe AIR CONDITIONING A/C Circuit. Heater Circuit ANTI-LOCK BRAKES. Anti-lock Brake Circuits COMPUTER DATA LINES. Data Link Connector Circuit COOLING FAN. Cooling Fan Circuit CRUISE CONTROL. 5.7L Wiring diagrams. Component pin outs. Connector pin outs. Ignition system component part numbers. Firing orders. Complete step-by-step testing instructions. The illustrations in the diagnostic manual are printer friendly! Applies to: 1999 Chevrolet Silverado, C1500, C2500, C3500 Pick Up. 1999 Chevrolet K1500, K2500, K3500 Pick Up.
1998 chevy silverado ac diagram. Chevrolet Silverado 1500 A/C Control Panel and Components. Chevrolet Silverado 1500 A/C Evaporator Core. Chevrolet Silverado 1500 A/C Expansion Valve. Chevrolet Silverado 1500 A/C Heater Blend Door Actuator. Chevrolet Silverado 1500 A/C Heater Blower Motor. Chevrolet Silverado 1500 A/C Hose Assembly. These GM wiring diagrams provide schematics for vehicle model years 1988 through 1998. Access our free Wiring Diagrams Repair Guide for GM Full-Size Trucks 1988-1998 through AutoZone Rewards. These diagrams include: Fig. 1: Index of Wiring Diagrams. Fig. 2: Sample Diagram: How to Read and Interpret Wiring Diagrams. Fig. 3: Wiring Diagram Symbols. Shop a wide variety of GM air conditioning parts for your vehicle at GMPartsDirect.com. Official GM Parts Direct auto parts site. ... 1998-02. More Info. Fits: Chevrolet: Camaro; Pontiac: Firebird; MSRP $135.00 . $73.24 . Add to Cart. MSRP $135.00 . $73.24 . Add to Cart. AC Hoses ... Chevrolet: Silverado 1500, Silverado 2500 HD, Silverado 2500 ... I have a 1998 chevy silverado k1500 5.7l engine. I need to recharge the AC unit and need to know the factory recommended pressure on the suction/low side. I fond the leak and repaired.
SOURCE: How to replace fuel filter on a 1998 Chevrolet. On all C/K's of this body-type 88-98, the fuel filter is located under the driver's side door inside the frame rail near the crossmember that supports the tail of the transmission. Replace it with AC Delco part GF-626, FRAM part G3727, or other comparable brand corresponding metal bodied ... Chevrolet Express (1998) - fuse box diagram. Year of production: 1998. Instrument Panel Fuse Block. The fuse block access door is on the driver's side of the instrument panel below the hood release lever. Chevrolet Express - fuse box - instrument panel Chevrolet malibu 2002 stereo wiring connector 2. 1998 chevrolet cavalier 2dr coupe wiring information. 12 2000 Chevy Truck Stereo Wiring Diagram Chevy Impala Truck Stereo Chevy Silverado Use of the information above is at your own risk. 1998 chevy k1500 radio wiring diagram. Each part should be placed and linked to different parts in particular … 1998 Chevy Silverado Fuel Pump Wiring Diagram - wiring diagram is a simplified usual pictorial representation of an electrical circuit. It shows the components of the circuit as simplified shapes, and the facility and signal friends together with the devices.
I Need A Wiring Harness Diagram For Transfer Case On 1998 Chevy Suburban K1500. Chevy Silverado 1500 With A 5 7l 350 1993 Electrical Circuit Wiring Diagram Carfusebox. 98 K3500 5 7 Wiring Diagram Needed The 1947 Present Chevrolet Gmc Truck Message Board Network. Chevrolet Car Radio Stereo Audio Wiring Diagram Autoradio Connector Wire ... 96-99 CHEVY SILVERADO HEATER CLIMATE FAN SPEED CONTROL CONNECTOR WIREHARNESS NEW (Fits: 1998 Chevrolet Silverado) $38.57. Was: $40.60. Free shipping. New A/C Compressor for K1500 C1500 Tahoe Blazer C1500 K1500 Suburban K1500 K2500 (Fits: 1998 Chevrolet Silverado) $158.00. Was: $348.59. Description : Trailer Wiring Harness Install Chevy Silverado- Etrailer - Youtube with regard to 1998 Chevy 2500 Wiring Diagram, image size 480 X 360 px, and to view image details please click the image. Here is a picture gallery about 1998 Chevy 2500 Wiring Diagram complete with the description of the image, please find the image you need. 1993 CHEVROLET K1500 PICKUP Wiring Diagrams only" or "with sport package" may indicate a Wiring Diagrams fits only certain 1993 CHEVROLET K1500 PICKUP . Download free PDF or read on 98 Chevy 1500 Ac Heat Wiring Diagram, owners manuals, and service information. Auto Repair Manual. 98 chevy silverado wiring diagram.
Chevrolet Silverado 2500 fuse box diagram. The 1998 Chevrolet Silverado 2500 has 2 different fuse boxes: Stop/TCC Switch. Buzzer, CHMSL. Hazard Lamps, Stoplamps. Courtesy Lamps, Cargo Lamp, Glove Box Lamp, Dome/Reading Lamps, Vanity Mirrors. Power Mirrors.
Gm Full Size Trucks 1988 1998 Wiring Diagrams Repair Guide Autozone. 1995 Chevrolet Tahoe Air Conditioning My Conditioner Stopped. Ignition System Circuit Diagram 1992 1995 Chevy Gmc Pick Up And Suv. Hvac Heater Ac Wiring Diagrams Please Have An Issue With A C. Er Motor Circuit Diagram 1996 1999 Chevy Gmc Pick Up.
1998 K1500 Wiring Diagram . 1998 k1500 4l60e wiring-diagram 1998 chevy silverado wiring diagram 1995 suburban ac wiring 1998 k1500 suburban ac wiring diagram 1998 chevy 1500 wiring diagram 1998 k1500 wiring diagram 1987 gmc truck wiring diagram 1998 chevy k1500 radio wiring diagram1995 Buick Riviera Fuse Box Diagram Besides 2000 Chevy Blazer Ignition . …
Wiring Diagram For Brake Switch Connector A 1998 Chevy Silverado. Wiring diagrams repair guide diagram for chevy 3500 sel k 1998 main enigne fuse box ignition system circuit 1996 454 tbi engine harness power window 1995 1999 w 7 4 litr gas guage part 1 headlight backfiring distributor chevrolet car radio stereo audio and tail light column switch er motor chev truck gauge problem the silverado ...
What you really need is a Chevrolet Silverado cabin air filter from your …. check engine light, diagnostics, auto repair, question, timing belt, diagram, technician, obd, codes, diagnostic, car help, car repair, car advice. Answer (1 of 2): Yes, this model of Chevrolet does have a cabin air filter. If yours has broken, or you just want a new ...
Front Air Conditioning ... 1985-91 Chevy Blazer, Suburban 1985-91 GMC Jimmy, Suburban Heater Components 1997-04 Dakota 1998-03 Durango Heater Hose Fittings, Carburetor Stud Kits and Pipe Plugs
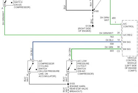
Electrical schematics is your friend. You can go to Autozone, register and have access to wiring diagrams. Anyway, compressor clutch power comes from 10amp ac fuse hot only in run position, then goes to low pressure switch, ac relay normally open contact, high pressure switch then to ac compressor clutch then to water valve then to A/C control module.
Anonymous. 1776 Answers. SOURCE: i need a vaccum hose diagram for a 1998 4.3 vortec. Go to the autozone website at autozone.com and register your vehicle. It's free and you will have access to a full online repair manual. They should have applicable vacuum diagrams for your vehicle. Sure hope this helped and good luck.
1998 chevy silverado ac diagram. What you really need is a Chevrolet Silverado cabin air filter from your …. check engine light, diagnostics, auto repair, question, timing belt, diagram, technician, obd, codes, diagnostic, car help, car repair, car advice. Answer (1 of 2): Yes, this model of Chevrolet does have a cabin air filter.
I'm looking for a complete system diagram for a 1998 Chevy Tahoe Air Conditioning System. (Front and Back A/C). - Answered by a verified Chevy Mechanic
Chevrolet Vehicles Diagrams, Schematics and Service Manuals - download for free! Including: 1923 chevrolet car wiring, 1923 chevrolet general wiring, 1923 chevrolet superior model, 1923 chevrolet wiring, 1925 chevrolet superior model series k, 1927 chevrolet capitol and national, 1927 chevrolet capitol and national models, 1928 chevrolet general wiring, 1928 chevrolet wiring, 1928 chevrolet ...
Wiring diagrams. Component pin outs. Connector pin outs. Ignition system component part numbers. Firing orders. Complete step-by-step testing instructions. The illustrations in the diagnostic manual are printer friendly! Applies to: 1999 Chevrolet Silverado, C1500, C2500, C3500 Pick Up. 1999 Chevrolet K1500, K2500, K3500 Pick Up.
SYSTEM WIRING DIAGRAMS 1995 Chevrolet Tahoe 1995 System Wiring Diagrams Chevrolet - Tahoe AIR CONDITIONING A/C Circuit. Heater Circuit ANTI-LOCK BRAKES. Anti-lock Brake Circuits COMPUTER DATA LINES. Data Link Connector Circuit COOLING FAN. Cooling Fan Circuit CRUISE CONTROL. 5.7L
Air Conditioning Chevrolet Suburban K1500 1998 System Wiring Diagrams For Cars. In Column Ignition Switch Wiring Diagram Needed. Wiring Diagram For Brake Switch Connector A 1998 Chevy Silverado. Er Motor Circuit Diagram 1996 1999 Chevy Gmc Pick Up. Want To Know If You Can Give Me A Wiring Diagram From The Ac Relay Aculator And Compressor For ...
0 Response to "39 1998 chevy silverado ac diagram"
Post a Comment