Iklan 300x250

42 bolens riding mower belt diagram

" .. 21 Frame Steer Attachment Interchangeability , 22 Riding Mower Steering Adjustment 23 Riding Mower Idler Installation for Drive Belt. 5 bolens walking mower models and specifications (cont'D) in. Self Elec. This is the belt tensioning technique for your mower deck. It is named an idler pulley. If you closely inspect the leading of the mower deck on your MTD riding mower you will see a pulley mounted to a square plate.

Belt diagram for bolens riding mower answered by a verified technician we use cookies to give you the best possible experience on our website. Sams bolens llc po. Page 5 if you are experiencing belt right side of the frame.

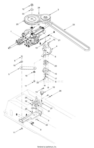
Bolens riding mower belt diagram

Bolens riding mower belt diagram

MTD Lawn Mower Drive Belts. MTD Drive Belt No 954 0460 39.24 in Length 3/8 in Top Width Fits 900 Series self propelled rear wheel drive rear discharge mowers 1997 after For Troy Bilt MTD MTD Gold Yard Man White Outdoor Huskee Yard Machines and Bolens mowers Replaces part numbers 754... *Parts listed below*How to Replace the drive belts on a Bolens (MTD) riding mower with the Varidrive belt system. The Varidrive system uses two belts rather... Learn more about [Epub] Bolens Riding Mower Wiring Diagram and you can in point of fact locate the advantages of reading this book. The provided soft file tape of this PDF will allow the incredible situation. Even reading is and no-one else hobby; you can start to be completion b this book.

Bolens riding mower belt diagram. Bolens Riding Mower Drive Belt Replacement Youtube. Belt Diagrams Bolens 38 Questions Answers With Pictures Fixya. Diagram Bolens Riding Mower Belt Diagram Full Version Hd Quality Belt Diagram Jotwiring A Mon Image Fr. Ryobi 13wc762f065 2011 Parts Diagrams. Riding Mower 38 Inch Deck Belt 954 04062 Mtd Parts. Bolens riding mowers are different in that they have twin cutting blades that are. A slipping or worn belt on your bolens 38 inch riding mo... Fits lawn tractors 2005 and after. It is easy and free. Bolens 15 5 Hp Manual 38 Cut Lawn Tractor Itemsea Small...

Drive Belt (1/2"x91"). Bolens Lawn Mower Reel Belts. GroundKeeper. 1717837. Wing Mower Drive Belt (1/2"x60"). Bolens Lawn Mower - Rotary Belts. Model. OEM Part. Bolens lawn mower pdf manual download. Bolens riding mower owner/operating manual (36 pages). Push mower (4 pages). Lawn Mower Bolens TRANSMATIC LAWN TRACTOR 660 Operator's Manual. Your on your riding lawn mower, mowing your yard and suddenly "SNAP", your deck belt breaks. belt diagram, MTD belt diagram, bolens belt diagram, wizard belt diagram, ranch king belt diagram, www.officialharleyparts.com/ridingmower.php. File Name : gb_bolens_tubeframe_belt_dia_2_1.gif Dimensions : 440x600 Ratio : 11:15 File Size : 36 KB File Type : image/gif. Post navigation. Bolens Lawn Tractor Belt Diagram.

Lawn mower maintenance for rider mowers mtd parts lawn mower tire repair. Repair tips mtd parts route a riding mower deck belt. Wiring Diagram Bolens 1220 4 1 Artatec Automobile De. Nice Poulan Mower Parts Diagram Images Gallery Poulan Pro Mower. I just bought a Bolens 3212H riding mower and it came without a discharge chute. I'm trying to track down a replacement part for that safety device. … read more. The mower would'nt travel on small grades so I replaced the drive belts. It work about two rounds and the same thing happened. Bolens Riding Mowers Parts online from an OEM Bolens Parts Dealer. Riding Mowers > Bolens (26 Models). 13AC650F765 - Bolens Lawn Tractor (2004). Riding Mower and Frame Steer Models and Specifications Riding Mower Attachment Belt Diagrams and V-Belt Information for Rotary Mowers. Mower Spindle Information. ntChalmers.com. Bolens walking mower models and specifications. • model eng.

Bolens offers a variety of powered lawn care equipment including walk-behind mowers, riding lawn mowers, string trimmers, tillers & cultivators | MTD Parts. Find parts by machine type: Riding Lawn Mower, Walk Behind Lawn Mower, Garden Tiller, Snow Blower-Snow Thrower and more to repair...

38 riding mower share this product. Need diagram to replace murray 42 inch cut belt. Bolens Riding Mower Blade Diagram Tractor Wiring And Fuse. Murray Riding Lawn Mower Parts Diagram Goscha Online. Electrolux Home Products Decks By Crigby.

How to Change a Riding Lawn Mower Deck Belt. Troubleshoot the possibilities of why the belt is worn or constantly get thrown off the Pulleys. I provided links so you can find your own diagram above for your Murray Riding Mower. As always thank you for you comments and questions!

Replacing lawn mower oil as part of regular maintenance will help you get the most out of your riding... Learn how to do a PTO belt repair on your riding lawn mower from Cub Cadet.

Ariens blade drive belt replacement. Ariens riding mower belt diagram. Replacing a ground drive belt on a riding lawn mower. Use only ariensgravely replacement parts. How to change the lower drive belt on a mtd gold bolens yard machines or toro riding mower duration.

The deck belt under a riding mower can seem like a random tangle of rubber if you're not familiar with this type of maintenance. The above belt diagram for an MTD riding mower is only for a 46" deck belt, if you have a different belt, you may want a different frame of reference.

Belt diagram for bolens riding mower - Answered by a verified Technician. model#13amf James W: We just have a lot more. MTD 13AMF Deck Assembly 38 Inch Parts Diagram. SWIPE SWIPE . C COVER BELT DI $ Screw Screw.schematron.org - Order Genuine MTD Parts for the MTD 13AMF...

Changing the belt on the Bolens mower follows the same procedure you would use for the MTD riding mower. Pull the wires from the spark plugs on the engine. Push the mower deck forward to lower the deck as far as possible. Remove the belt keepers using an adjustable wrench from around the engine...

MTD riding lawn mower with hydrostatic drive belt diagram Google Search. i am looking for a spring and belt diagram for my bolens 38" cut lawn mower. I have a bolens 38 inch riding mower. it cranked and when i tried to engage the cutting deck the belt smoked off. i replaced the belt and...

Jan 19, 2019 · Bolens Riding Mower Drive Belt Replacement deck belt diagram for model# John Deere 44 inch mower deck belt schematron. I Need the belt diagram for a yardman 46IN. 18161410. If you are search for Bolens Ht20 Transmission, simply will check out our info below

graphics of belt routing on decks of MTD riding mowers. Deck Lift & Hanger Assembly diagram and repair parts lookup for Yard Machines 13A6672G129 - Yard Machines Lawn Tractor (2001) (Home DIY: How to Change the Upper Drive Belt on MTD Gold Lawn Mower - Bolens or Yard Machines.

Bolens 38 Riding Mower. When people should go to the ebook stores, search opening by shop, shelf by shelf, it is in fact problematic. Belt Installation on a Bolens 38 Mower | eHow I have a 38 inch Bolen's rising mower. I was mowing today and it just stopped. It will not move forward or backwards...

Learn more about [Epub] Bolens Riding Mower Wiring Diagram and you can in point of fact locate the advantages of reading this book. The provided soft file tape of this PDF will allow the incredible situation. Even reading is and no-one else hobby; you can start to be completion b this book.

*Parts listed below*How to Replace the drive belts on a Bolens (MTD) riding mower with the Varidrive belt system. The Varidrive system uses two belts rather...

MTD Lawn Mower Drive Belts. MTD Drive Belt No 954 0460 39.24 in Length 3/8 in Top Width Fits 900 Series self propelled rear wheel drive rear discharge mowers 1997 after For Troy Bilt MTD MTD Gold Yard Man White Outdoor Huskee Yard Machines and Bolens mowers Replaces part numbers 754...

0 Response to "42 bolens riding mower belt diagram"

Post a Comment

Iklan Atas Artikel

Iklan Tengah Artikel 1

Iklan Tengah Artikel 2

Iklan Bawah Artikel