38 toyota power window switch wiring diagram
2007 TOYOTA YARIS Wiring Diagrams. Yaris Back-up Light Electrical Wiring Diagram. Yaris Engine Control Electrical Circuit Diagram. Yaris Ignition Electrical Schematics. Yaris Rear Window Defogger Electrical Wiring Diagram. Yaris Remote Control Mirror Electrical Wiring Diagram. Yaris Starting Electrical Wiring Diagram. The most common cause of this issue is a bad master switch on the driver side door. Another common cause is a broken power wire that powers up the master switch. CHeck the wries on the connector of the master switch with a 12 vlt DC testlight, with the key on. If you have power, the wire is good, and the switch is probably bad.
You need to see a wiring diagram to see how the ignition switch allows or sends power to that 30 amp fuse. Toyota power window switch wiring diagram. The switch may turn on a relay maybe the ignition relay that sends power to the fuse panel. Power Window Switch Wiring Diagram Toyota.

Toyota power window switch wiring diagram
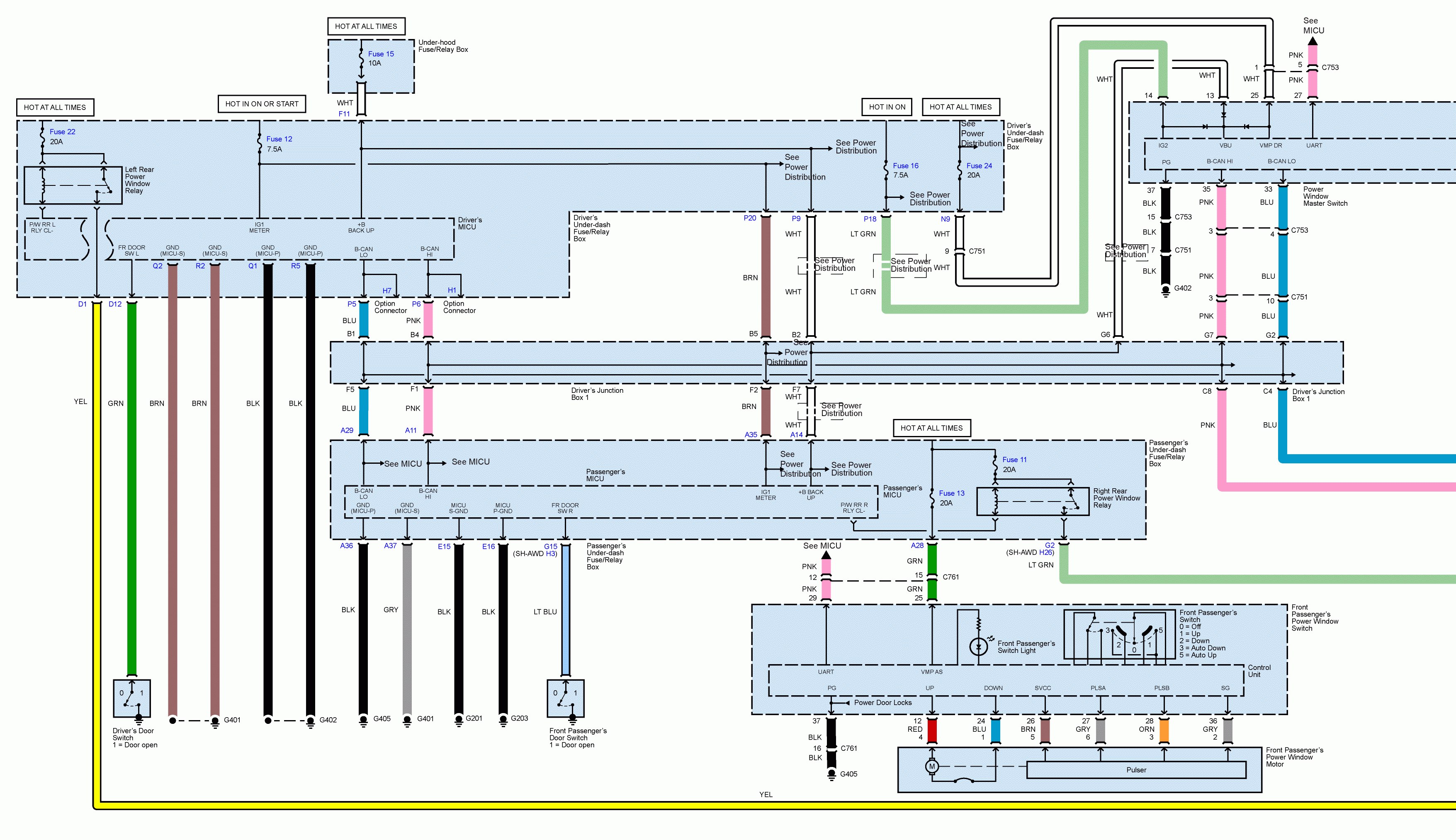
OVERALL ELECTRICAL WIRING DIAGRAM. Provides circuit diagrams showing the circuit connections. This manual provides information on the electrical circuits installed on vehicles by dividing them into a circuit for each system. The actual wiring of each system circuit is shown from the point where the power source is received from the battery as ... Inspection Front Power Window Motor Inspection 1. DaimlerChrysler Corporation wiring diagrams are on the diagrams to represent components and wiring Passenger Power Window Switch. Voltage reversal is the simple process of switching polarity to change the direction of an electric motor. These instructions will be easy to comprehend and implement. If all of the door windows do not operate, no power may be supplied to the power window master switch or the power window master switch itself may have a malfunction. WIRING DIAGRAM. INSPECTION PROCEDURE. 1 INSPECT FUSE (PWR, ECU-IG, AM1) Remove the fuses from the driver side J/B. Check the resistance. Standard resistance: Below 1 Ω
Toyota power window switch wiring diagram. I am using the 2003 Toyota Tacoma Electrical Wiring Diagram Manual (hopefully same for my 2004). Power Window diagram (page 182) says Tacomas with power windows get window power via: 30A "Power" fuse under dash ->. PWR Relay on back of fuse block ->. gives 12V on 30A circuit via pin 1 on connector 1C on back of fuse block. Some TOYOTA RAV4 Wiring Diagrams are above the page.. In 1994, serial production of the Toyota RAV4 began, which became one of the first representatives of the nascent class of compact crossovers - cars that combine the best qualities of cars and SUVs.. The car was created on the platform of Toyota Corolla and at first it was offered only with a three-door body. A simple single-pole, single-throw switch is relatively easy to understand on a wiring diagram. However, if the switch is a multi-pole (has more than one pin that is being switched), or gang type switch (where the movement of the switch lever moves a number of switches open or closed), the symbol used on the wiring diagram can be more difficult ... Toyota Solara , Intermotor™ Power Window Switch by Standard®. SMP's vision is to be the leading independent supplier to the automotive aftermarket, providing the highest quality products, competitive prices and the highest.Toyota Camry ( - ) - fuse box diagram - Auto GeniusTOYOTA CAMRY SV21 WIRING DIAGRAM Pdf Download.
The remote up/down and auto up/down functions cannot be operated during fail-safe mode. However, the power window can be closed by holding the power window regulator master switch assembly at the auto up position, and opened manually by pushing down the power window regulator master switch assembly. WIRING DIAGRAM. CAUTION / NOTICE / HINT Power Window Wiring Diagram 1Amazon Printed Bookshttps://www.createspace.com/3623931Amazon Kindle Editionhttp://www.amazon.com/Automotive-Electronic-Diagnost... Accessory Power Outlet – Center Console (D07 with UQ3), Accessory power Outlet – Center Console Compartment (D07 with UQ3), Accessory Power Outlet – Center Seat (AZ3) 3. SWC BKLT Fuse. 2A. Steering Wheel Control Switch Assembly – Left, Steering Wheel Control Switch Assembly – Right. 4. DDM Fuse. 15A. Door Lock/Window Switch – Driver ... Car power window wiring diagram. Voltage reversal is the simple process of switching polarity to change the direction of an electric motor. The two motor window circuit in the diagram above uses voltage reversal rest at ground. Power window wire diagram mechanics use car wiring diagrams sometimes referred to as schematics to show them how ...
1992 4Runner passenger side forward power window. It quit working. I tried jiggling and repeatedly engaging the switch, but driver and passenger controls. (child safety switch) repeatedly. engage/disengaging the driver side window swicth. directions). driver and passenger window control switches). Power window switch faulty Power window motor faulty Wiring or ground faulty If continuity is not as specified, replace the switch. Check switch Check motor Repair as necessary Door lock control relay faulty Wiring or ground faulty One touch power window does not operate Troubleshooting Power window master switch faulty Power window does not ... The first wiring diagrams were for the 10 pin switch, the other post is for the later 14 pin, however as I stated in those posts the 14 pin switch uses a different control method, it is not just a switch like the earlier 10 pin ones. Just wiring it up will not work. You would need all of the other hardware from a 1998 and up to use the 14 pin ... 1992 Toyota Camry Power Window Troubleshooting. The testing procedure shown in this video can be applied to any reverse polarity DC electric motor. This car ...
Set a dc 400 a probe of the toyota electrical tester in the wire harness of terminal 4 or 5. Notice: match the arrow mark of the probe with the current direction. Set the door glass in the fully closed position. ... 34 a into 1 a or less when the power window switch is turned up once again. Standard: approximately 4 - 90 seconds.
toyota power windows wiring diagram #1. Find this Pin and more on digle by joseph sunde. Find out how to access AutoZone's Wiring Diagrams Repair Guide for Toyota Pick-ups, Land Cruiser, 4Runner 1970-1988. AutoZone's Repair Guides tell you what you need to know to do the job right.
Assuming that yours U-jumpers made good contacts inside the door switch connector, and the motor still not working, proceed to the next step Now get 12 volt license plate light bulb [#87 for example] and solder two wires to it push the other ends of these wires one to the red/with stripe and other to the green wire with stripe, then turn ignition on and operate master switch .
Contributor. 28 Answers. Re: Toyota Tundra power windows wiring diagram. Check with your Toyota dealer for the info or where to download the info. Most service manuals are on the web now a days and you should be able to locate the necessary info. This should solve your problem.
Toyota Wiring Diagram Color Codes – toyota hilux wiring diagram color codes, toyota wiring diagram color codes, toyota wiring diagram color codes headlight, Every electric structure is made up of various diverse pieces. Each part ought to be set and connected with different parts in specific manner. If not, the arrangement won’t work as it ought to be.
Toyota Power Windows - Trucks 4Runner DESCRIPTION & OPERATION System components consist of a power window relay, power ... side power window switch or wiring harness. All Windows Inoperative, But Power Door Locks Operate Check for defective fuse (GAUGE, POWER), ignition switch,
Toyota - Tundra - Wiring Diagram - 2005 - 2005 Updated: January 2022. Show full PDF. Get your hands on the complete Toyota factory workshop software £9.99 Download now . Check out our popular Toyota Tundra Manuals below: Tundra 2WD V8-5.7L (3UR-FE) (2007) Tundra Access Cab LTD 4WD V8-4.7L (2UZ-FE) (2001)
Fuse box diagram (location and assignment of electrical fuses and relays) for Mercedes-Benz E-Class (E200, E220, E250, E300, E350, E400, E500, E63) (W212; 2010-2016).
25.01.2021 · Fuse box diagrams for Volkswagen Transporter (T5; 2003, 2004, 2005, 2006, 2007, 2008, 2009, 2010, 2011, 2012, 2013 and 2014 model year). Photos, layout and assigment ...
Listed below is the vehicle specific wiring diagram for your car alarm, remote starter or keyless entry installation into your 2002-2004 Toyota Camry.This information outlines the wires location, color and polarity to help you identify the proper connection spots in the vehicle.
2001 Toyota Sienna Service and Repair Manual (RM787U) 2005 Toyota Sienna (MCL20, MCL23, MCL25 Series) Repair Manual (RM1163U) Toyota - Sienna - Workshop Manual - 1998 - 2016. 2007 Toyota Sienna Electrical Wiring Diagram (EM0530U) See All
Electrical Problems Camry Forums Toyota Forum. Power windows toyota camry ce 2001 wiring diagrams car solara se avalon electric window troubleshooting corolla repair manual 2002 guide convertible passenger my driver side switch can for cars trucks panel fuse s in about a minute goes up but not down ricks stereo diagram electrical problems forums rear left stopped corona 96 01 xv20 defogger ...
DAIHATSU Car Manuals PDF & Wiring Diagrams above the page - Charade, F70, F75, F77, F300, Feroza; Daihatsu Cars EWDs - F70, 75, F80, F85G10, Rocky, Feroza, Sportrak; Daihatsu Charade, Sirion, Copen, YRV, Terios Fault Codes DTC.. Daihatsu - a subsidiary of Toyota mainly produces subcompact and compact model class. as well as the universal all-wheel …
TOYOTA HEADLIGHTSWORKSHEET #1 1. Draw in GREEN the HEAD LAMP CONTROL circuit from the battery to ground. 2. Draw in RED the LOW BEAM circuit from the battery to ground. 3. Draw in BLUE the HIGH BEAM circuit from the battery to ground. L-1 Page 3 1. THE HEADLAMP SWITCH IS PLACED IN THE FLASH POSITION 2.
The dog was not allowed into the street. So he was just sitting and looking at the procession Semana Santa like a king from his balcony
Power Window Switch Wiring Diagram – aftermarket power window switch wiring diagram, autoloc power window switch wiring diagram, dorman power window switch wiring diagram, Every electrical arrangement is composed of various different pieces. Each component should be set and connected with other parts in particular manner. If not, the arrangement won’t function as it ought to be.
If all of the door windows do not operate, no power may be supplied to the power window master switch or the power window master switch itself may have a malfunction. WIRING DIAGRAM. INSPECTION PROCEDURE. 1 INSPECT FUSE (PWR, ECU-IG, AM1) Remove the fuses from the driver side J/B. Check the resistance. Standard resistance: Below 1 Ω
Inspection Front Power Window Motor Inspection 1. DaimlerChrysler Corporation wiring diagrams are on the diagrams to represent components and wiring Passenger Power Window Switch. Voltage reversal is the simple process of switching polarity to change the direction of an electric motor. These instructions will be easy to comprehend and implement.
OVERALL ELECTRICAL WIRING DIAGRAM. Provides circuit diagrams showing the circuit connections. This manual provides information on the electrical circuits installed on vehicles by dividing them into a circuit for each system. The actual wiring of each system circuit is shown from the point where the power source is received from the battery as ...
0 Response to "38 toyota power window switch wiring diagram"
Post a Comment