Iklan 300x250

39 john deere 1050 parts diagram

Parts & Services | John Deere UK & IE John Deere has been remanufacturing parts and components for more than 20 years. During the remanufacturing process, failed and worn parts are replaced with original parts and then inspected and tested to original performance specifications. It's an environmentally friendly repair alternative for... John Deere Parts Diagrams, John Deere 1050 Tractor -PC2016 Mar 24, 2022 · Buy Genuine OEM John Deere parts for your John Deere 1050 Tractor -PC2016 and ship today! Huge in-stock inventory of OEM John Deere parts.

Каталоги запчастей John Deere PDF Каталог запасных частей комбайна John Deere 1188, 1188HY. JOHN-DEERE-224-zhatka-katalog. Сеялка 7200. JohnDeere_CTSII.

John deere 1050 parts diagram

John deere 1050 parts diagram

John Deere 1050 Parts Diagram | Automotive Parts Diagram Images Description : 1050 John Deere Tractor Parts Diagram | Tractor Parts Diagram And with regard to John Deere 1050 Parts Diagram, image size 600 X 653 px, and to view image details please click the image. Here is a picture gallery about john deere 1050 parts diagram complete with the description of the image, please find the image you need. EFI Service Kit. Download Kohler Air Cooled Diesel ... 11.3.2022 · See your John Deere dealer. ... Kohler Command Pro EFI 26. Get your 089-1050-00 - Code Indicator Light-Kohler EFI here! Find your BB Part using our 20 mar 2017 I have a kohler efi twin command 26hp motor and was looking to use the me to see hours, clear ... Kohler Cv730 0019 Ariens 23 5 Hp 17 Kw Parts Diagram For Oil Pan Lubrication 3 24 512. John Deere 1050 brake replacement - TractorByNet | Forum I have just purchased a John Deere 1050 2wd. The brake peddle has full travel but does not engage I am going to buy a brake kit from Hoye tractor parts. Has any one done this job? I have taken lots of cars These are dry brakes so you don't have to deal with any hydraulic fluid and a parts diagram is...

John deere 1050 parts diagram. John Deere Parts Catalog Find parts & diagrams for your John Deere equipment. Search our parts catalog, order parts online or contact your John Deere dealer. Rebuilt 4 Cyl. youtube. Diesel 72" Rotary Mower: Seller ... 10.3.2022 · Mar 17, 2021. Click on an item title or picture to get more information, see more pictures, or … Re: Toro groundsmaster 327 water pump in reply to Dale Crass, 01-03-2009 19:55:23 We use both Toro and John Deere mowers for golf course maintenence and Toro is much higher to buy parts for. ARIMain - WEINGARTZ - lawn mower parts John Deere Parts Lookup -John Deere-1050 Tractor -PC2016 Select Your John Deere Parts catalog, Service Manual by Models Download John Deere Manuals pdf, In it, you will learn how to repair and operation and tests. Repair sections tell how to repair the components.with highly easy to follow step-by-step instructions & pictures on repair's all areas, it makes repair job easy to do. Using this repair manual is an inexpensive way to...

John Deere Parts | Parts & Services | John Deere US John Deere Remanufactured (REMAN) parts cut costs not quality with our remanufactured solutions. The John Deere dealer is the first line of customer parts service. Throughout the world, there are dealers to serve Agricultural, Construction, Lawn and Grounds Care, and Off-Highway... 129 John Deere Service Repair Manuals PDF... | Truckmanualshub.com John Deere tractors, combines & lawn mowers service repair manuals, wiring diagrams, fault codes list; john deere parts catalog download. John Deere Parts Catalog Download. John Deere 1050 Parts Diagrams - Jacks Small Engines John Deere 1050 Exploded View parts lookup by model. Complete exploded views of all the major manufacturers. It is EASY and FREE John Deere 1050 Tractor Parts - muttonpower.com John Deere 1050 Parts. The 1050 Compact Utility Tractor was produced from 1980-1989 as part of the 50 Compact Series. Standard features included the three cylinder 37 HP Yanmar diesel engine and manual steering. Popular attachments included mowing deck, front blade, and front loader.

Parts Catalog - John Deere No information is available for this page. John Deere 850 900HC 950 1050 Tractors Technical... - YouTube Workshop Manual, John Deere 950 Service Manual Pdf, John Deere 950 Parts Manual, John Deere 950 Parts Diagram, John Deere 1050 Manual, John Deere 1050 Owners Manual, John Deere 1050 Service Manual, John Deere 1050 Technical Manual, John Deere 1050 Repair Manual, John Deere... Ремонт КПП коробок переключения передач John Deere (Джон Дир) Ремонт коробки переключения передач КПП John Deere 1050J. Ремонт коробки переключения передач КПП трубоукладчиков гусеничных JOHN DEERE. pirnaer-osterzauber.de John deere fault codes list

John Deere 1050 Tractor -PC2016 Rockshaft Control Lever ...

John Deere 1050 Tractor -PC2016 Rockshaft Control Lever ...

Page Not Found The Yamaha MA190 is a 189 cc (11. Operating from the center power take-off, mower cuts up to 1. It is available with either cable or joystick controls. Manufacturer: John Deere John Deere Sickle Mower, 9' Manual Fold Bar, 540 PTO, Tube Type Hitch, Oliver Hyd. While the No. 1 Dayton sickle bar mower. Installing sickle bar mower on tractor .

John Deere 1050 Attachments - Specs

John Deere 1050 Attachments - Specs

32 John Deere 1050 Parts Diagram - Wiring Diagram Database John Deere 1050 Wiring Diagram Eyelash Me. Tractor Steering Shaft Replacement Tractor Wiring And Fuse Box. 850 950 Rockshaft Control Valve 5 John Deere 1050 Wiring Diagram Eyelash Me. John Deere 1050 Cultivator Parts Manual Drawn Field. 950 1050 Gears And Left Hand Final Drive Housing...

REI 710792 ISO ST-1050 Radio fits John Deere

REI 710792 ISO ST-1050 Radio fits John Deere

Flour Mill Rye [4MH368] - Vendo Compro Orologi Como White rye flour is refined to remove bran and germ, delivering rye flavor with a light color. 0 Million US$ by 2026, Table Shipton Mill Production, Value, Price, Gross. 00; Irish Soda Bread Mix (case of 10) € 21. We mill our Light Rye flour from the same high quality grain as we do our Whole Rye flour. Brownell and John T. The New Grain Mill.

Buy your Compact Tractor Parts online • Weaver's Compact ...

Buy your Compact Tractor Parts online • Weaver's Compact ...

John Deere 1050 Parts Diagram - Wiring Site Resource Our inventory of power equipment parts is probably the widest in the industry which allows. We carry new rebuilt and used john deere 1050 t...

1980 John Deere 1050 75 fel Hyd issues q | Page 2 - TractorByNet

1980 John Deere 1050 75 fel Hyd issues q | Page 2 - TractorByNet

John Deere Model 1050 Compact Utility Tractor Parts John Deere Engine Oil Pressure Switch - M810001. (2) $7.75. Usually available. Add to Cart. Quick View.

John Deere 1050 MFWD Shifter Fix Part 2

John Deere 1050 MFWD Shifter Fix Part 2

Shop our selection of John-Deere 1050 Parts and Manuals Some of the parts available for your John Deere 1050 include Belts, Clutch, Transmission, PTO, Electrical & Gauges, Front Axle and Steering, Hitch | Drawbar, ...

Pin on Products

Pin on Products

John Deere parts catalog online EPC | AVSpare.com John Deere parts advisor expert catalog download diagrams construction parts dealer mower parts tractor search Search by your machine to find part Part Number Information parts manager pro is the electronic parts catalog (EPC) and parts manuals. The original directory on the selection of spare...

Parts for John Deere Compact Utility Tractors

Parts for John Deere Compact Utility Tractors

Craftsman ztl8000 manual Owners Workshop Manual. 24 AUG 12:00 2021 UNTIL 27 AUG 21:00 2021. 5 hp A parfumeur. cannot be combined with other offers. 890. net Nov 30, 2021 · John Deere 42" D100, D105, D110, D120, D125, D130 Deck Parts Diagram. cut MTD, Cub Cadet and Troy-Bilt mowers; Replaces OEM #'s 942-05056A, 742-05056 and 742-05056A; Also fits Craftsman CMXGZAM110183, …

John Deere 1050 Parts/Salvage for Sale New & Used | Fastline

John Deere 1050 Parts/Salvage for Sale New & Used | Fastline

John Deere Parts Diagrams John Deere service manuals provide detailed instruction on the major repair components of your John Deere equipment. Find parts & diagrams for your John Deere equipment. John Deere 850 900HC 950 1050 Tractors Technical Repair Service Manual - TM1192.

Front Axle/Steering Parts for John Deere 1050 Tractors | Up ...

Front Axle/Steering Parts for John Deere 1050 Tractors | Up ...

Читаем электросхемы John Deere - Автозапчасти и автоХитрости gerikogan@gmail.com tel / telegram +38 098 694 12 56. Перейти к контенту. Читаем электросхемы спецтехники John Deere. (англ + рус). System Functional Schematic Example.

John Deere 1050 Parts/Salvage for Sale New & Used | Fastline

John Deere 1050 Parts/Salvage for Sale New & Used | Fastline

John Deere 132 BELT PICKUP WITH PLATFORM parts catalog John Deere Wiring Schematic Diagrams.pdf. John Deere 25 COMBINE HEADER TRANSPORT FRAME parts catalog.

John Deere 850 Power Beyond | Tractor Forum

John Deere 850 Power Beyond | Tractor Forum

John Deere 1050 brake replacement - TractorByNet | Forum I have just purchased a John Deere 1050 2wd. The brake peddle has full travel but does not engage I am going to buy a brake kit from Hoye tractor parts. Has any one done this job? I have taken lots of cars These are dry brakes so you don't have to deal with any hydraulic fluid and a parts diagram is...

WATER PUMP [01B23] - TRACTOR, COMPACT UTILITY John Deere 1050 ...

WATER PUMP [01B23] - TRACTOR, COMPACT UTILITY John Deere 1050 ...

EFI Service Kit. Download Kohler Air Cooled Diesel ... 11.3.2022 · See your John Deere dealer. ... Kohler Command Pro EFI 26. Get your 089-1050-00 - Code Indicator Light-Kohler EFI here! Find your BB Part using our 20 mar 2017 I have a kohler efi twin command 26hp motor and was looking to use the me to see hours, clear ... Kohler Cv730 0019 Ariens 23 5 Hp 17 Kw Parts Diagram For Oil Pan Lubrication 3 24 512.

John Deere 1050 Parts Diagram for Clutch, Transmission & PTO ...

John Deere 1050 Parts Diagram for Clutch, Transmission & PTO ...

John Deere 1050 Parts Diagram | Automotive Parts Diagram Images Description : 1050 John Deere Tractor Parts Diagram | Tractor Parts Diagram And with regard to John Deere 1050 Parts Diagram, image size 600 X 653 px, and to view image details please click the image. Here is a picture gallery about john deere 1050 parts diagram complete with the description of the image, please find the image you need.

John deere 1050 tractor service repair manual

John deere 1050 tractor service repair manual

John Deere 1050 Cultivator Parts Manual (JD-P-PC1550): John ...

John Deere 1050 Cultivator Parts Manual (JD-P-PC1550): John ...

JD-47 New Shop Manual Fits John Deere Compact Tractor 1050 850 950

JD-47 New Shop Manual Fits John Deere Compact Tractor 1050 850 950

950/1050 GEARS AND LEFT-HAND FINAL DRIVE HOUSING (MFWD ...

950/1050 GEARS AND LEFT-HAND FINAL DRIVE HOUSING (MFWD ...

Bush Hog 2345QT Front End Loader Parts 2345QT Front End ...

Bush Hog 2345QT Front End Loader Parts 2345QT Front End ...

Sam's Bolens

Sam's Bolens

2013 John Deere Tractor Parts Catalog | Manualzz

2013 John Deere Tractor Parts Catalog | Manualzz

PARTS MANUAL FOR JOHN DEERE 1050 TRACTORS CATALOG ASSEMBLY EXPLODED VIEWS

PARTS MANUAL FOR JOHN DEERE 1050 TRACTORS CATALOG ASSEMBLY EXPLODED VIEWS

John Deere 1050 Tractor -PC2016 Radiator 850/950: ENGINE

John Deere 1050 Tractor -PC2016 Radiator 850/950: ENGINE

John Deere Model 60 Tractor Parts Manual Catalog

John Deere Model 60 Tractor Parts Manual Catalog

Parts Manual - 1050 fits John Deere 1050 PC1766

Parts Manual - 1050 fits John Deere 1050 PC1766

Tractor John Deere 1050

Tractor John Deere 1050

TractorData.com John Deere 1050 tractor information

TractorData.com John Deere 1050 tractor information

JD IT Service Manual 850 950 1050

JD IT Service Manual 850 950 1050

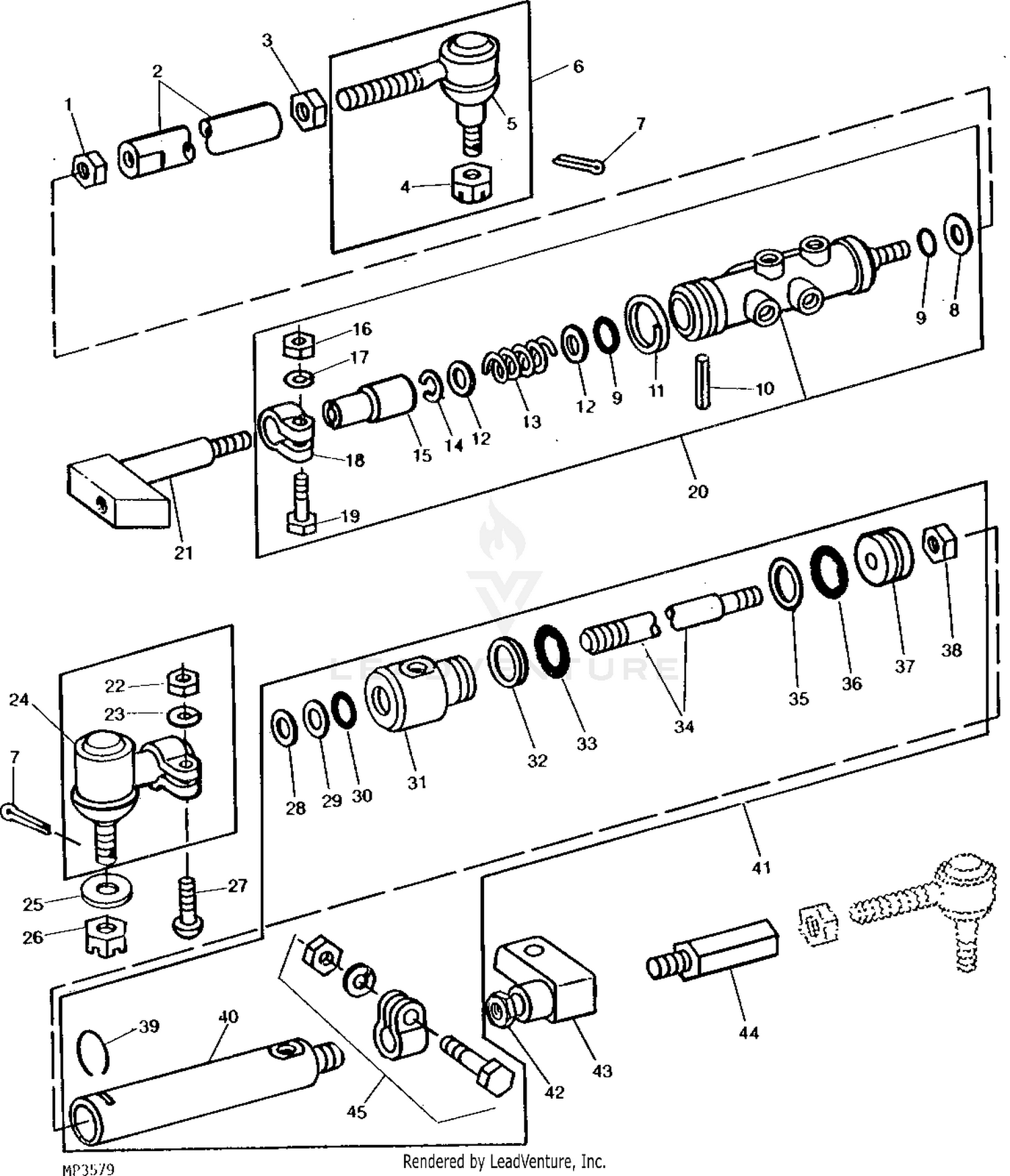
John Deere 1050 Tractor -PC2016 Tie Rod & Spindle Shaft MFWD ...

John Deere 1050 Tractor -PC2016 Tie Rod & Spindle Shaft MFWD ...

John Deere 1050 Tractor -PC2016 Power Steering Cylinder ...

John Deere 1050 Tractor -PC2016 Power Steering Cylinder ...

JOHN DEERE I&T DIESEL 850 & 1050 TRACTOR SERVICE MANUAL NEW ...

JOHN DEERE I&T DIESEL 850 & 1050 TRACTOR SERVICE MANUAL NEW ...

John Deere 850 900HC 950 1050 Repair Manual [Tractor ...

John Deere 850 900HC 950 1050 Repair Manual [Tractor ...

John Deere 990 Tractor Parts

John Deere 990 Tractor Parts

John Deere 950 Tractor Price, Parts Specs, Review & Features 2022

John Deere 950 Tractor Price, Parts Specs, Review & Features 2022

JD62 - I&T Shop Manuals John Deere 670, 770, 870, 970 and ...

JD62 - I&T Shop Manuals John Deere 670, 770, 870, 970 and ...

SERVICE MANUAL SET FOR JOHN DEERE 520 TRACTOR PARTS OWNER ...

SERVICE MANUAL SET FOR JOHN DEERE 520 TRACTOR PARTS OWNER ...

R25, B296, Manual, 34 Rear non-bearing elements / Stabilizing ...

R25, B296, Manual, 34 Rear non-bearing elements / Stabilizing ...

1985 JD 1050 with 75 Loader | Green Tractor Talk

1985 JD 1050 with 75 Loader | Green Tractor Talk

John Deere Parts Catalog - PC1766

John Deere Parts Catalog - PC1766

0 Response to "39 john deere 1050 parts diagram"

Post a Comment

Iklan Atas Artikel

Iklan Tengah Artikel 1

Iklan Tengah Artikel 2

Iklan Bawah Artikel