Iklan 300x250

39 yamaha golf cart fuel pump diagram

How To Test Your Golf Cart's Fuel Pump - Go With Garrett's Your golf cart's fuel pump is essentially vacuum-powered using crankcase pressure. While the more generally recognized term "compression" refers to the pressure limits at the top end of the engine, crankcase pressure actually refers to the pressure present at the bottom end, below the piston. Yamaha G1 Part 24: Golf Cart Fuel System Plumbing - YouTube Yamaha G1 Part 24: Golf Cart Fuel System PlumbingGolf Cart with a Motorcycle Engine Project Facebook:

1979-1986 G1A Gas 2 cycle - Gas - YAMAHA PARTS - TNT Golf Car TNTGolfcar.com is the source for all your custom golf cart accessory and Yamaha golf car parts needs. We are the only site in the world with all of the Yamaha parts manuals online. 1979-1986 G1A Gas 2 cycle - Gas - YAMAHA PARTS - Parts | TNT Golf Car & Equipment

Yamaha golf cart fuel pump diagram

Yamaha golf cart fuel pump diagram

one-348.de › kawasaki-engine-sputtering[email protected] - one-348.de Mar 09, 2022 · email protected] JN6-F4410-00-00 Yamaha Fuel Pump Assembly $62.49 ... Yamaha Fuel Pump Assembly (JN6-F4410-00-00) is used in Fuel Tank assembly for 1996 Yamaha G16AP, Fuel Tank assembly for 1997 Yamaha G16AR, Fuel Tank assembly for 1998 Yamaha G16AS JN6, Fuel Tank assembly for 2001 Yamaha G16AW JN63 and Fuel Tank assembly for 1999 Yamaha G16AT JN61 Fuel Pumps and Repair Kits for Golf Carts, Utility ... Golf Car Catalog offers fuel pumps and fuel pump repair kits for many EZGO, Club Car, Yamaha, Columbia Par Car, and Yamaha golf carts, utility vehicles, and personnel carriers. As the name implies, the fuel on your golf cart is responsible for moving or "pumping" the fuel from your fuel tank to the carburetor where is mixed with air and ...

Yamaha golf cart fuel pump diagram. Yamaha G1 Fuel Pump Diagram - schematron.org Your Yamaha Fuel Pump works hard to feed the engine, so make sure you keep a good flow of fuel at all times. We carry replacement Yamaha fuel pumps and parts for Yamaha G1, G2, G3, G5, G8, G9, G11, G14, G16, G20, G22, and G29 the Drive gas golf cart models. The diaphragms are the thin sheet of plastic which separate the pieces of the fuel pump. Yamaha Golf Cart Models - Find Serial Number, Year & Model If you need to determine something specific on your Yamaha Golf Cart follow this link to the Yamaha official website. They still offer free look-up for diagrams, owner manuals, etc… a wealth of information for the DIY enthusiast. Especially if you own an older cart for which most cart dealers no longer stock any parts. Golf Cars | Golf Carts | Yamaha Golf-Cars - Yamaha Golf Car Harley Davidson, E-Z-Go, and Hyundai. We have run gas and electric cars in all these brands. Without question, the Yamaha cars have been the best running, most durable, best looking, and most serviceable cars we have had. There are the reasons we continue to purchase the Yamaha brand golf car. Keep up the great work! Diagram Of Fuel Pump 1980 G1 Yamaha Golf Cart - 01/2022 Diagram Of Fuel Pump 1980 G1 Yamaha Golf Cart. Home; Diagram Of Fuel Pump 1980 G1 Yamaha Golf Cart › yamaha golf carts fuel problems

Fuel Gauge and Gas Tank Sending Unit for Golf Carts, LSVs ... As low as $28.45. Only %1 left. SKU. Fuel Gauge and Gas Tank Sending Unit. Add to Wish List Add to Compare. This gauge and sending unit takes the guesswork out of how much fuel is left in your golf cart and utility vehicle. The sending unit can be adapted to fit nearly any fuel tank, and the gauge can be mounted either in the dash or on any 2 ... Replacement Fuel Pumps for Yamaha Gas Golf Carts ... Replacement Fuel Pumps & Tanks for Yamaha Golf Carts ... Fuel Pump for Yamaha G29/ Drive & Drive2 with EFI (Fits 2013-Up) $64.99 More Information. 2004-16 Yamaha G22-G23-G27-G8-G29-Drive - Fuel Pipe Joint Grommet ... G16 carb rebuild kit and fuel system diagram Re: G16 carb rebuild kit and fuel system diagram. There should be a rubber hose running from the air filter housing to the valve (rocker) cover. It is not part of the fuel system but rather a crankcase ventilation. The fuel system is rather simple. Fuel line from fuel tank to fuel pump. Then line from pump to carb. Amazon.com : Yamaha Golf Cart fuel pump. OUR#5910 for G16 ... MOSTPLUS - Fuel Pump - Compatible with Yamaha Golf Cart Car G16 G17 G18 G19 G20 G22 G29 YDR - 49040-7001 4.5 out of 5 stars 297 in Automotive Replacement Electric Fuel Pumps

Yamaha 48 Volt Golf Cart Battery Wiring Diagram - Wiring ... Yamaha 48 volt golf cart charger wiring diagram wiring diagram is a simplified standard pictorial representation of an electrical circuit it shows the components of the circuit as simplified shapes and the facility and signal associates along with the devices. Yamaha 48 volt golf cart battery wiring diagram. › victaVicta Lawn Mower Parts and Spares Online - All Mower Spares All Mower Spares offers a range of Victa Lawn Mower Parts for mower repairs online.. Victa is owned by the Briggs & Stratton Corporation, a world leader in small engine manufacture and major supplier of engines to Victa, while the vast majority of our mower products continue to be made in Australia at our Moorebank NSW head office.As Australia's favourite mower, we are proud to be recognized ... Can I Install a Electric Fuel Pump on a Golf Cart ... Can I install a electric a fuel pump on a Yamaha gas golf cart. The engine needs rebuilt and is not getting enough vacumn and the owners do not want to put money into overhauling the engine. I want to purchase a 2 - 4 psi fuel pump and how would you hook up the electric power ? Thanks again. cosmo-kasino350.de › w463-relay-diagram[email protected] - cosmo-kasino350.de Mar 11, 2022 · W463 relay diagram. email protected]@D-V4/ [email protected]

Fuel Pump for Yamaha Gas Golf Cart G2 G9 G11 G14 J38-24452-10-00  J38-24410-10-00 | eBay

Fuel Pump for Yamaha Gas Golf Cart G2 G9 G11 G14 J38-24452-10-00 J38-24410-10-00 | eBay

Yamaha G1-A G1-A1 GOLF CAR 1979-1980 parts lists and ... Yamaha G1-A G1-A1 GOLF CAR 1979-1980. parts list. Note that the supplied Yamaha parts lists may contain important information for repairing your Yamaha G1-A G1-A1 GOLF CAR 1979-1980. The list contains thirty-three Other parts fiches. This BODY PANEL-REAR MUD FLAP fiche contains the largest amount of spare parts with seventy-seven listed items.

2009 YAMAHA APEX WONT START CANT HEAR FUEL PUMP ENGUAGE WHEN ...

2009 YAMAHA APEX WONT START CANT HEAR FUEL PUMP ENGUAGE WHEN ...

Yamaha Golf Cart Gas Parts | GolfCartGarage.com Need to replace any of the gas parts on your Yamaha golf cart? We've got brand new replacement gas parts for all Yamaha golf carts. | Golf Cart Garage. Menu. ... Yamaha 5/16″ Inline Fuel Filter G1 (Years 1979-1989) SKU: 2153. $114.95 $15.95. Add to Cart. FITS

Fuel Pump Fit For Yamaha Gas Golf Cart G2 G9 G11 J38-24452-10-00  J38-24410-10-00 | eBay

Fuel Pump Fit For Yamaha Gas Golf Cart G2 G9 G11 J38-24452-10-00 J38-24410-10-00 | eBay

Golf Cart Fuel Pump Yamaha G9 - Pete's Golf Carts Golf Cart Fuel Pump Yamaha G9. $ 76.32. Fuel Pumps are an integral part of your vehicle's fuel system. This golf cart fuel pump is used on Yamaha G9 4-cycle gas 1991 to 1994. Pete says, All orders over $99 ship free in the 48 states. So order your set today and save BIG!!! Golf Cart Fuel Pump Yamaha G9 quantity.

Golf Cart Fuel Pump Yamaha G22 Drive

Golf Cart Fuel Pump Yamaha G22 Drive

Yamaha Fuel Pump Install on G29 Drive | Gas Golf Cart Fuel ... DIY Golf Cart shows you how to install a fuel pump on a 2008 Gas Yamaha Drive golf cart. This fuel pump not only works on a G29 but also fits the G22 model a...

Gas Tank Fuel Filter For Yamaha G2 G5 G8 G9 G11 Cart 8R4 ...

Gas Tank Fuel Filter For Yamaha G2 G5 G8 G9 G11 Cart 8R4 ...

Fuel pump diagram - buggiesgonewild.com G1 empty fuel filter=bad fuel pump or tank vaccuum? Gas Yamaha: 89 fuel pump diagram: Gas Club Car: Fuel line from valve cover to fuel pump: Gas Yamaha: 1988 Parcar Fuel pump Or no Fuel pump? Gas Columbia ParCar: 1983 Gas Club Car Wiring Diagram. (electric fuel pump) Gas Club Car

yamaha g1 golf cart parts

yamaha g1 golf cart parts

Golf Cart Fuel Pump Problems: Clogged - Golf-Cart-Blog For a bit of background information, this particular fuel pump issue was on a Yamaha G2A golf cart. They have a 4 cycle engine and were produced from 1985-1991. This vehicle was left sitting in a garage for nearly three years without being cranked, or any maintenance performed.

uxcell Fuel Pump for Yamaha G8 G11 G14 1990-1995 G16 G20 G22 ...

uxcell Fuel Pump for Yamaha G8 G11 G14 1990-1995 G16 G20 G22 ...

Yamaha G16/G20-G22 Golf Cart Fuel Pump (4-Cycle Gas 1996+) Yamaha G16/G20-G22 Golf Cart Fuel Pump (4-Cycle Gas 1996+) We Price Match! Give our sales team a call at 800.401.2934 (Toll Free) and we'll match any competitor's price.

KIPA Fuel Pump for Yamaha Gas Golf Cart G2 G9 G11 G14 Replace OE #  J38-24452-10-00 J38-24410-10-00 stable

KIPA Fuel Pump for Yamaha Gas Golf Cart G2 G9 G11 G14 Replace OE # J38-24452-10-00 J38-24410-10-00 stable

Diagram Of Transaxle For Yamaha Golf Utility Cart - 03/2022 Diagram Of Transaxle For Yamaha Golf Utility Cart. Home; Diagram Of Transaxle For Yamaha Golf Utility Cart › yamaha golf cart transaxle overhaul

Johnson Fuel Pump Parts for 1986 20hp J20ELCDC Outboard Motor

Johnson Fuel Pump Parts for 1986 20hp J20ELCDC Outboard Motor

Yamaha Golf Car G2 G9 G11 G14 G16 G19 G20 G22 G29YDR ... Yamaha Golf Car G2 G9 G11 G14 G16 G19 G20 G22 G29YDRE G29YDRA Service Repair Manual on CD + Bonus Part Catalogue Loaded with Hi Resolution illustrations, instructions, photos, and diagrams, complete to service and repair your golf car. Read and print pages directly from the CD.

EZGO 1990-93 Fuel Pump -2 Cycle - Performance Plus Carts

EZGO 1990-93 Fuel Pump -2 Cycle - Performance Plus Carts

Golf Cart Fuel Pump (How to Test, Install, Fix Empty ... The fuel pump of a Yamaha G14 golf cart has a standard pressure of 178PSI. The minimum pressure must always be 142PSI. An electric fuel pump in a Yamaha G2 cart often has a low pressure of 3 to 5PSI with 1/4-inch lines.

Stens 520590 Fuel Pump Replaces Briggs and Stratton 808656 ...

Stens 520590 Fuel Pump Replaces Briggs and Stratton 808656 ...

› toroToro Spare Parts Online - All Mower Spares Our parts are of the same size, superior as our items. Only the best pieces are made and stocked by Toro: blades, belts, bedknives, reels, filters, hoses and more. We make sure that the highest quality component for your equipment is supplied and each component follows strict requirements that are higher than industry standards.

2007-2016 YDRA Drive Std Gas - Gas - YAMAHA PARTS - Parts ...

2007-2016 YDRA Drive Std Gas - Gas - YAMAHA PARTS - Parts ...

Golf Cart Fuel Pumps: Testing Procedures - Golf-Cart-Blog Very good troubleshooting diagnosis information. Do you know where I could obtain info for a 91-95 ez go gas eng problem. After overhauling the eng, motor runs very good and strong the only problem is that through a hose from the eng that connects to the vac inlet on the fuel pump when eng runs the vent hole on the fuel pump starts to blow out eng oil.

Engine Golf Cart Fuel Pump For YAMAHA G16 G20 G22 4 CYCLE ...

Engine Golf Cart Fuel Pump For YAMAHA G16 G20 G22 4 CYCLE ...

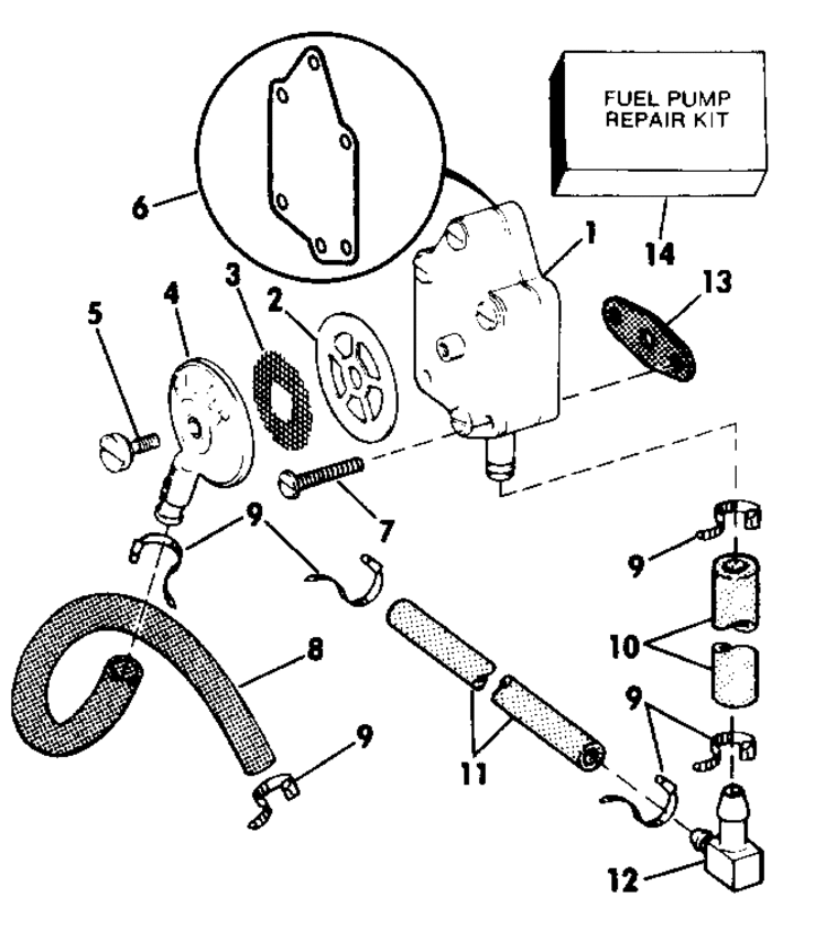
Fuel Pump Hose Connection On A Yamaha Golf Cart - 03/2022 Golf Cart Fuel Pumps: Testing Procedures - Golf-Cart-Blog Best golfcar.blog. The fuel pump has several nozzles on it to accept the vacuum line, and both the Fuel In and Fuel Out lines.Inside the pump, there are several diaphragms which use the pulsing action created by the vacuum of the crankcase pressure to draw fuel from the storage tank and push it onward to the carburetor of the golf cart.

2019 Yamaha Golf Car UMAX ONE EFI (YUM1A19) Electrical 2 ...

2019 Yamaha Golf Car UMAX ONE EFI (YUM1A19) Electrical 2 ...

SOLVED: Fuel system flow problem. Engine will not start ... I just had this problem when I went to take my Yamaha golf cart out of winter storage. ... then I noticed the vacum or pulse line from the engine to the fuel pump was missing a clamp that attached to the fuel pump, I put a clamp on snugged it up and my problem was solved. Feb 27, 2022 by Cal Moore. Add a comment . 0 /1024. Cancel Post comment ...

C2 Powersports, LLC > Shopping > Parts Finder

C2 Powersports, LLC > Shopping > Parts Finder

Amazon.com: yamaha golf cart fuel pump SOLLON Fuel pump JN6-F4410-00 S FP-003 5910 Replacement for Yamaha Golf Cart G16 G20 G22 4 Cycle 1996-2007. 4.6 out of 5 stars. 17. Save 5%. $11.29.

2006-2007 Club Car DS Gas or Electric - GolfCartPartsDirect

2006-2007 Club Car DS Gas or Electric - GolfCartPartsDirect

Fuel Pumps and Repair Kits for Golf Carts, Utility ... Golf Car Catalog offers fuel pumps and fuel pump repair kits for many EZGO, Club Car, Yamaha, Columbia Par Car, and Yamaha golf carts, utility vehicles, and personnel carriers. As the name implies, the fuel on your golf cart is responsible for moving or "pumping" the fuel from your fuel tank to the carburetor where is mixed with air and ...

Labymos Fuel Pump For Yamaha Golf Cart G16 G20 G22 4 Cycle 1996-UP  JN6-F4410-00

Labymos Fuel Pump For Yamaha Golf Cart G16 G20 G22 4 Cycle 1996-UP JN6-F4410-00

JN6-F4410-00-00 Yamaha Fuel Pump Assembly $62.49 ... Yamaha Fuel Pump Assembly (JN6-F4410-00-00) is used in Fuel Tank assembly for 1996 Yamaha G16AP, Fuel Tank assembly for 1997 Yamaha G16AR, Fuel Tank assembly for 1998 Yamaha G16AS JN6, Fuel Tank assembly for 2001 Yamaha G16AW JN63 and Fuel Tank assembly for 1999 Yamaha G16AT JN61

Carbhub 1014523 Fuel Pump for Club Car Gas Golf Cart DS Precedent from 1984  to Present 290FE 350FE Kawasaki Engine 1014523

Carbhub 1014523 Fuel Pump for Club Car Gas Golf Cart DS Precedent from 1984 to Present 290FE 350FE Kawasaki Engine 1014523

one-348.de › kawasaki-engine-sputtering[email protected] - one-348.de Mar 09, 2022 · email protected]

High Strength Club Car Fuel Pump For Yamaha Gas Golf Cart ...

High Strength Club Car Fuel Pump For Yamaha Gas Golf Cart ...

Signswise Fuel Pump for Yamaha Golf Cart G16 G20 G22 4-Cycle 1996-2007

Signswise Fuel Pump for Yamaha Golf Cart G16 G20 G22 4-Cycle 1996-2007

Yamaha G16, G19, G20, G22 Fuel Pump

Yamaha G16, G19, G20, G22 Fuel Pump

Yamaha G1 Restoration Project

Yamaha G1 Restoration Project

FUEL PUMP fit Yamaha 1996 1997 1998 1999 2000 2001 2002 G16 Ultima Gas Golf  Cart | eBay

FUEL PUMP fit Yamaha 1996 1997 1998 1999 2000 2001 2002 G16 Ultima Gas Golf Cart | eBay

1992 Yamaha Golf Car G9AH Fuel Tank | Big Sky Golf Cars

1992 Yamaha Golf Car G9AH Fuel Tank | Big Sky Golf Cars

MOUNT FUEL PUMP

MOUNT FUEL PUMP

Fuel Pump For Club Car Gas Golf Cart DS & Precedent 1984 UP 290FE 350 FE  FE290

Fuel Pump For Club Car Gas Golf Cart DS & Precedent 1984 UP 290FE 350 FE FE290

1985-1991 G2A Gas 4 cycle - Gas - YAMAHA PARTS - Parts | TNT ...

1985-1991 G2A Gas 4 cycle - Gas - YAMAHA PARTS - Parts | TNT ...

1992 G9 No Spark

1992 G9 No Spark

J10-24410-03-00 Yamaha Fuel Pump Assembly $60.48 ...

J10-24410-03-00 Yamaha Fuel Pump Assembly $60.48 ...

Yamaha Golf Cart G20/G22/G29 Fuel Pump JN6-F4410-11 | eBay

Yamaha Golf Cart G20/G22/G29 Fuel Pump JN6-F4410-11 | eBay

2011 Yamaha Golf Car DRIVE (YDRAXP) Fuel Tank | Big Sky Golf Cars

2011 Yamaha Golf Car DRIVE (YDRAXP) Fuel Tank | Big Sky Golf Cars

Yamaha G2 Golf Cart Tuneup & Repair. Part #4

Yamaha G2 Golf Cart Tuneup & Repair. Part #4

Yamaha G22, G29 Carburetor Assembly

Yamaha G22, G29 Carburetor Assembly

Yamaha Fuel Pumps & Fuel Pump Parts for your Yamaha Golf Cart

Yamaha Fuel Pumps & Fuel Pump Parts for your Yamaha Golf Cart

MOSTPLUS - Fuel Pump - Compatible with Yamaha Golf Cart Car G16 G17 G18 G19  G20 G22 G29 YDR - 49040-7001

MOSTPLUS - Fuel Pump - Compatible with Yamaha Golf Cart Car G16 G17 G18 G19 G20 G22 G29 YDR - 49040-7001

NEW! Fuel Pump for Yamaha Gas Golf Cart G2 G9 G11 G14 J38-24452-10-00

NEW! Fuel Pump for Yamaha Gas Golf Cart G2 G9 G11 G14 J38-24452-10-00

What Year is my Yamaha Golf Cart | Golf Cart Tire Supply

What Year is my Yamaha Golf Cart | Golf Cart Tire Supply

Volvo Penta D4-180I-B;D4-180I-C;D4-180I-D;D4-180I-E;D4-210I-A ...

Volvo Penta D4-180I-B;D4-180I-C;D4-180I-D;D4-180I-E;D4-210I-A ...

Golf Cart Fuel Pump, Golf Cart Fuel Pump Products, Golf Cart ...

Golf Cart Fuel Pump, Golf Cart Fuel Pump Products, Golf Cart ...

0 Response to "39 yamaha golf cart fuel pump diagram"

Post a Comment

Iklan Atas Artikel

Iklan Tengah Artikel 1

Iklan Tengah Artikel 2

Iklan Bawah Artikel