Iklan 300x250

38 john deere lt166 drive belt diagram

John Deere LT166 Lawn Tractor Maintenance Guide & Parts List Service Schedule Parts for a John Deere LT166 Lawn Tractor & Parts List. While your John Deere machine is certainly built with quality parts, they have a limited life. Good news is you can easily service your machine yourself using a John Deere maintenance kit or service kits or by getting the specific John Deere part needed to keep your John Deere mower or tractor running for a long time. How to replace a transmission drive belt on John Deere L ... Fastest way to change belt for the DIY novice with no lift. Apply the parking brake and it takes the tension off the transmission belt and makes access to pu...

John Deere Lt166 Parts Diagram Click the part number below to view and order John Deere LT Lawn Tractor Parts 46 Mower Deck, or search illustrated diagrams to determine the part you. Order residential parts online such as belts, blades, and filters for your lawn and Find Parts. Search part numbers and diagrams to identify the part you need.

John deere lt166 drive belt diagram

John deere lt166 drive belt diagram

lt166 46 belt diagram Unsolved Problems (with Pictures ... Unsolved problems for lt166 46 belt diagram question. Get free help, tips & support from top experts on lt166 46 belt diagram related issues. i need a belt diagram for john deere lt166 - JustAnswer I need a belt diagram for deere lt166 - Answered by a verified Technician We use cookies to give you the best possible experience on our website. By continuing to use this site you consent to the use of cookies on your device as described in our cookie policy unless you have disabled them. John Deere Lt133 Mower Deck Belt Diagram - Diagram Niche Ideas John deere lt133 mower deck belt diagram. At some point, you may need to remove the mower deck of your john deere lt155 riding lawnmower. Drive belt, mower deck for model lt166 with 38 and 46 deck. The belt is trapped between this little idler and the frame on the left side of the mower so you'll need to remove it.

John deere lt166 drive belt diagram. John Deere Parts Diagram & Parts Search - Green Farm Parts John Deere parts lookup tool and diagram is an incredible online source. It is a complete catalog that shows you detailed parts diagrams of every part of your machine. This online parts catalog is robust and easy to use. Searching for your John Deere parts online has never been easier. John Deere LT166 Lawn Tractor Parts - Mutton Power The John Deere LT166 was produced from 1998 to 2001. It came equipped with either a hydrostatic drive transmission, 38", 42", or 48" Mower Decks and 16hp Briggs and Stratton Engine. Regular Maintenance should be performed on the LT166 every 50 hours and should include Spark Plug, Air Filter, Oil Filter with 1.6qts oil and sharpen or replace ... 46-inch Mower Deck Parts for LT166 - GreenPartStore Click here for 46-inch Mower Deck Parts for LT166; Click here for 46-inch Mower Deck Parts for LT166. Products [21] Sort by: ... John Deere Deck Drive Belt - M123281 (1) $55.38. Usually available. Add to Cart. Quick View. John Deere Deck Lift Rod - M119135 (0) $10.45. Usually available. Add to Cart. NEED HELP with 1999 LT166 Timing Belt Tension | Green ... Hi guys, My dad has a 1999 LT166, with a 42 Freedom deck. Recently, the mower belt (that drives the blades) is broken. I tried to install a new belt for him, but seems like I messed up the tension on the belt. When I first installed the belt, I did not find this tutorial...

TractorData.com John Deere LT166 tractor information rear-discharge mower. John Deere LT166 Engine. 16HP Briggs & Stratton 480cc 2-cyl gasoline. Fuel tank. 2 gal. 7.6 L. Engine details ... John Deere LT166 Transmission. hydrostatic. John Deere LT166 (Deck 48C) Riding Lawn ... - V-Belt Guys John Deere LT166 (Deck 48C) Riding Lawn Mower Replacement Belt Original Equipment Manufacturer John Deere OEM Part Number M151649 Machine Riding Lawn Mower Model LT166 (Deck 48C) Belt Type 4LK/AK Aramid VBG Replacement Id APPL674185 Technical Specifications: (Inches) (mm) Outside Circumference 144.00 3657.60 Top Width 0.50 12.70 Belt Depth 0.3125 PDF John Deere Ltr166 Drive Belt Adjustment John Deere Ltr166 Drive Belt Adjustment john deere lt166 lawn tractor parts mutton power equipment. 42 inch rear discharge mower deck parts for ltr166. john deere lt166 parts diagram. troubleshooting manuals deere com. john deere - service manual download. john deere d105 lawn mower forum. how to change the traction belt on John Deere Lawn & Garden Belt Routing Guide John Deere Lawn & Garden Belt Routing Guide All Images Belong to John Deere Document Created By: jd2007 MyTractorForum.com X700, X720, X724, X728, X729 * These machines are shaft driven therefore they have no traction drive belt. 48" Deck *54" Convertible Deck, 62" Convertible Deck, & 60" Drive-Over Belts Are Routed The Same

John Deere LT160 Auto Drive Belt - outdoorpowerinfo.com Bring the front loop of the belt over the brake shaft (#2, yellow), around both arms of the steering bellcrank, straddling the bellcrank shaft (#2, white), and over the engine stack pulley. #3. Engine pulley Route the belt as shown past the belt guide (#3, white) near the engine pulley. #4. Idler spring How to Tighten a Mower Belt on a John Deere LT166 - YouTube How to Tighten a Mower Belt on a John Deere LT166. The LT166 John Deere lawn mower comes standard with a 48-inch mower deck. A common misunderstanding is tha... LT166 Belt Installation - Green Tractor Talk 1988 John Deere 265 with 46" mower deck, Power Flow Bagger, Dethatcher, 1976 John Deere 100 with 34" mower deck, LT160 JOHN DEERE DRIVE BELT - YouTube O'Brien's Small Engine Shop installing drive belt on LT160 John Deere, video is unedited.

John Deere LTR166 Lawn Tractor Maintenance Guide & Parts List

John Deere LTR166 Lawn Tractor Maintenance Guide & Parts List

PDF John Deere Ltr166 Drive Belt Adjustment 'John Deere Lt166 Belt Diagram Free Diagram For Student November 20th, 2020 - John deere lt166 drive belt diagram website of lurimoat Mower timing belt cover can be unfastened and flipped open on the left side exposing the tension adjustment mechanism without having to remove the mower or the timing belt

Lt155 transmission fan | My Tractor Forum

Lt155 transmission fan | My Tractor Forum

John Deere Lt133 Drive Belt Diagram - schematron.org your model of lawn mower and search for the mowing schematron.org they will have a diagram of the mowing deck with the belt on schematron.org there are. LT, LT and LT Remove belt from engine drive sheave and belt guides (A). MIF Move brake assembly (B) away from sheave (A) and drive belt. 5.

SOLVED: Have a JD LT166W/48 and need a mower deck belt - Fixya

SOLVED: Have a JD LT166W/48 and need a mower deck belt - Fixya

John deere, LT 166 drive belt replacement - Ask Me Help Desk New Member. May 29, 2009, 07:32 AM. John deere, LT 166 drive belt replacement. John Deere LT 166 Drive belt schematics. Mary J Bartlett. View Public Profile. Find latest posts by Mary J Bartlett. crigby Posts: 4,343, Reputation: 107.

How to Change the Traction Belt on a John Deere LT155 : 8 ...

How to Change the Traction Belt on a John Deere LT155 : 8 ...

John Deere LTR166 Lawn Tractor Parts - Mutton Power The John Deere LTR166 was produced from 1998 to 2001. It came equipped with either a hydrostatic drive transmission, 42" Rear Discharge Mower Deck and 16hp Briggs and Stratton Engine. Regular Maintenance should be performed on the LTR166 every 50 hours and should include Spark Plug, Air Filter, Oil Filter with 1.6qts oil and sharpen or replace ...

LX17? Drive Belt Install Tip | My Tractor Forum

LX17? Drive Belt Install Tip | My Tractor Forum

Mower Deck Drive Belt for John Deere LT166, M123281, 38 ... Deck Drive Belt for John Deere LT166, M123281, 38", 46" Cut, Sabre. MSRP: $54.70 $49.02 (You save $5.68 ) (No reviews yet) Write a Review SKU: 265-241 UPC: 023899298464 Condition: New Shipping: Calculated at Checkout. Bulk Pricing: Buy in bulk and save Bulk discount rates ...

1995 Yamaha WAVE RAIDER 1100 (RA1100T) Electrical 2 ...

1995 Yamaha WAVE RAIDER 1100 (RA1100T) Electrical 2 ...

John Deere Model LT166 Lawn Tractor Parts - GreenPartStore John Deere Lawn Tractor Parts Model LT166 Model LT166 The serial number is located in front and below the seat as indicated in this photo Products [104] Sort by: 1 2 3 Next Page View All 3-Way HitchPlate and Towing Ball - GV175 (1) $23.95 Add to Cart Clean Machine Non-Stick Mower Protectant - GV130 (8) $8.95

Replacement (Medway) John Deere M128733 Deck Drive Belt LT155, LT160,  LT166, LT170, LT180

Replacement (Medway) John Deere M128733 Deck Drive Belt LT155, LT160, LT166, LT170, LT180

Change drive belt lawn mower LT 166 John Deere LT166 - Service Mower On the left side page menu you'll see "Replacing Mower Drive Belt (38-Inch Mower)" click on that, and it'll take you right to the diagram. Save the link. It covers a lot more, and you may need it for later reference. K

John Deere Transmission Drive Traction Belt Kevlar Fits LT155 ...

John Deere Transmission Drive Traction Belt Kevlar Fits LT155 ...

Lt166 Drive Belt Replacement - Diagram Niche Ideas 8ten deck drive belt for john deere 42 inch deck lt133 lt155 lt160 lt166 lt170 lt180 tractors m128733. Unique bargains atv drive belt high performance replacement for polaris sportsman 4x4 3211077. From the diagram, it seems the only way to replace this is by stripping down the mover, and removing the gearbox to access the area.

How to Change the Traction Belt on a John Deere LT155 : 8 ...

How to Change the Traction Belt on a John Deere LT155 : 8 ...

John Deere LT166 lawn tractor: review and specs - Tractor ... The John Deere LT166 is a 2WD lawn tractor from the LT series. This tractor was manufactured by John Deere in Horicon, Wisconsin, USA from 1998 to 2001. The JD LT166 is equipped with a 0.5 L V-twin gasoline engine and hydrostatic transmission with infinite forward and reverse gears.

How to replace a Timing Belt on Freedom 42 deck John Deere

How to replace a Timing Belt on Freedom 42 deck John Deere

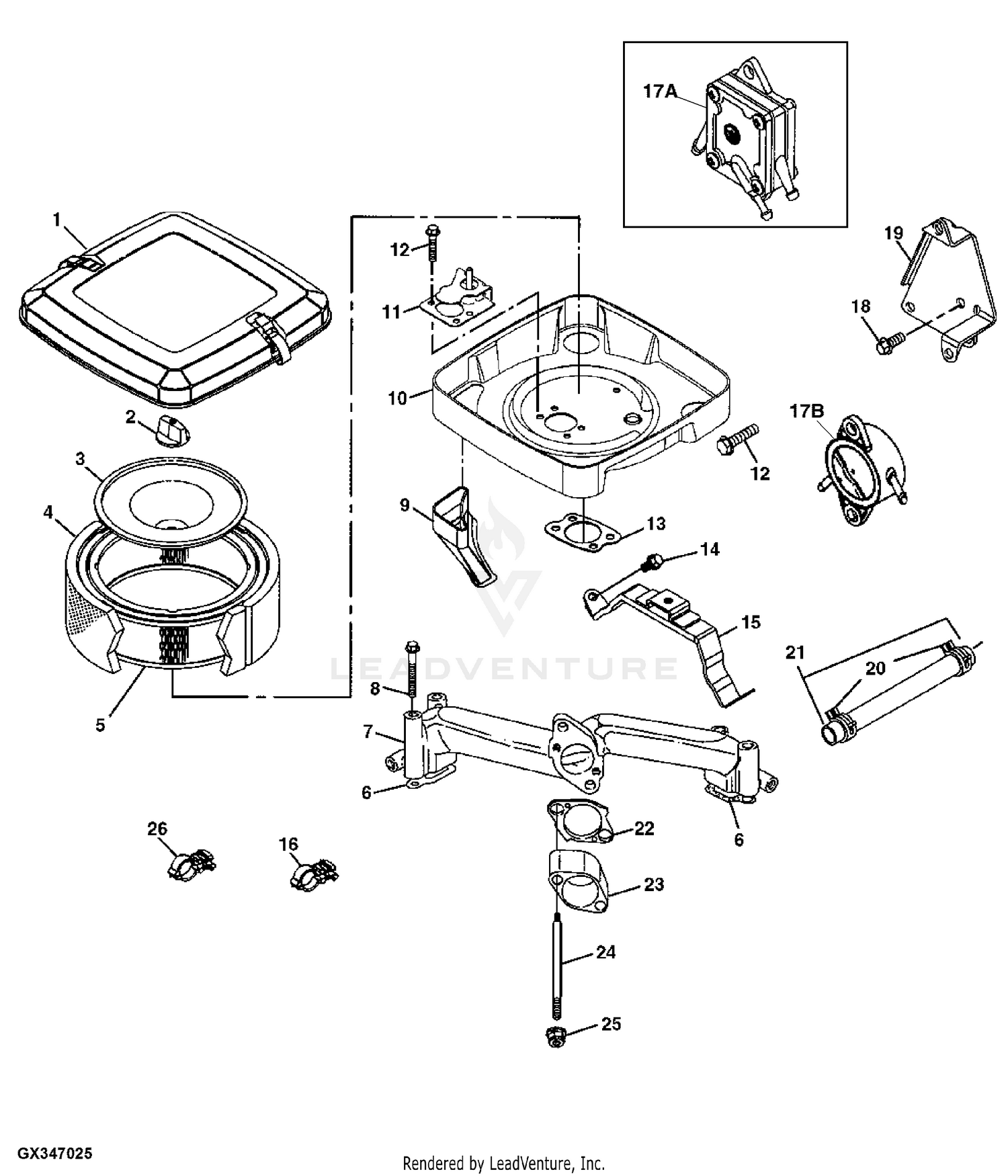
John Deere LT166 Lawn Tractor Parts - Quick Parts ... CALL US AT (855) 669-7278 John Deere LT166 Lawn Tractor Parts 46 Mower Deck Quick Reference Guide. Click the part number below to view and order John Deere LT166 Lawn Tractor Parts 46 Mower Deck, or search illustrated diagrams to determine the part you need. Order John Deere Lawn Tractor Parts Online. Same Day & Flat Rate Shipping!

Belts John Deere

Belts John Deere

John Deere Lt133 Mower Deck Belt Diagram - Diagram Niche Ideas John deere lt133 mower deck belt diagram. At some point, you may need to remove the mower deck of your john deere lt155 riding lawnmower. Drive belt, mower deck for model lt166 with 38 and 46 deck. The belt is trapped between this little idler and the frame on the left side of the mower so you'll need to remove it.

V-Idler Pulley for Hydro Drive Belt AM121967 Fits John Deere LTR155  LTR166LTR180 | eBay

V-Idler Pulley for Hydro Drive Belt AM121967 Fits John Deere LTR155 LTR166LTR180 | eBay

i need a belt diagram for john deere lt166 - JustAnswer I need a belt diagram for deere lt166 - Answered by a verified Technician We use cookies to give you the best possible experience on our website. By continuing to use this site you consent to the use of cookies on your device as described in our cookie policy unless you have disabled them.

Putting a drive belt on a Deere lt180, and I have a spring ...

Putting a drive belt on a Deere lt180, and I have a spring ...

lt166 46 belt diagram Unsolved Problems (with Pictures ... Unsolved problems for lt166 46 belt diagram question. Get free help, tips & support from top experts on lt166 46 belt diagram related issues.

John Deere LT160 Auto Drive Belt

John Deere LT160 Auto Drive Belt

John Deere LT180 42 Deck Belt Removal

John Deere LT180 42 Deck Belt Removal

Mower belts

Mower belts

M126536 Deck Drive Belt Replacement for John Deere LT166 Lawn Tractor -  PC2608 - Compatible with 38 Inch Mower Deck V-Belt

M126536 Deck Drive Belt Replacement for John Deere LT166 Lawn Tractor - PC2608 - Compatible with 38 Inch Mower Deck V-Belt

LT155 Losing Power On Incline : r/johndeere

LT155 Losing Power On Incline : r/johndeere

John Deere LT160 Auto Drive Belt

John Deere LT160 Auto Drive Belt

NEED HELP with 1999 LT166 Timing Belt Tension | Green Tractor ...

NEED HELP with 1999 LT166 Timing Belt Tension | Green Tractor ...

SOLVED: John deere traction drive belt diagram for x304 - Fixya

SOLVED: John deere traction drive belt diagram for x304 - Fixya

John Deere LT166 Lawn Tractor (Without Mower Deck) -PC2608 ...

John Deere LT166 Lawn Tractor (Without Mower Deck) -PC2608 ...

How to Change the Traction Belt on a John Deere LT155 : 8 ...

How to Change the Traction Belt on a John Deere LT155 : 8 ...

JOHN DEERE TRANSMISSION gearbox drive belt LT150 LT160 LT170 ...

JOHN DEERE TRANSMISSION gearbox drive belt LT150 LT160 LT170 ...

John Deere LT166 Lawn Tractor (With 46-IN Mower Deck) -PC2608 ...

John Deere LT166 Lawn Tractor (With 46-IN Mower Deck) -PC2608 ...

How to Change the Traction Belt on a John Deere LT155 : 8 ...

How to Change the Traction Belt on a John Deere LT155 : 8 ...

John Deere Model LT166 Lawn Tractor Parts

John Deere Model LT166 Lawn Tractor Parts

John Deere POWER TRAIN AM130330 Drive Belt and Idlers

John Deere POWER TRAIN AM130330 Drive Belt and Idlers

LT-166 Drive Belt Replacement | Green Tractor Talk

LT-166 Drive Belt Replacement | Green Tractor Talk

John Deere LT166 Lawn Tractor (With 46-IN Mower Deck) -PC2608 ...

John Deere LT166 Lawn Tractor (With 46-IN Mower Deck) -PC2608 ...

Details about Genuine John Deere X370 Ride On Mower Transmission Plug  MIU14382

Details about Genuine John Deere X370 Ride On Mower Transmission Plug MIU14382

John Deere L&G Belt Routing Guide | My Lawnmower Forum

John Deere L&G Belt Routing Guide | My Lawnmower Forum

How to Change the Traction Belt on a John Deere LT155 : 8 ...

How to Change the Traction Belt on a John Deere LT155 : 8 ...

Pin on Ideas for the House

Pin on Ideas for the House

How To Replace The Drive Belt On A John Deere LT160 Riding Mower - Dacula

How To Replace The Drive Belt On A John Deere LT160 Riding Mower - Dacula

JOHN DEERE OEM TRANSMISSION DRIVE BELT FOR LT155 & LT166 ...

JOHN DEERE OEM TRANSMISSION DRIVE BELT FOR LT155 & LT166 ...

John Deere LT 155 Riding Lawn Mower - REPLACING THE DRIVE / TRACTION BELT !  HOW TO

John Deere LT 155 Riding Lawn Mower - REPLACING THE DRIVE / TRACTION BELT ! HOW TO

John deere lt166 lawn garden tractor service repair manual by ...

John deere lt166 lawn garden tractor service repair manual by ...

0 Response to "38 john deere lt166 drive belt diagram"

Post a Comment

Iklan Atas Artikel

Iklan Tengah Artikel 1

Iklan Tengah Artikel 2

Iklan Bawah Artikel