40 kenmore sewing machine tension assembly diagram
Kenmore Tension Assembly #60683 : 60683. Tension Assembly Kenmore #60683. If you are not sure email me at ron@a1sewingmachine.com with your make and model and I will assist you. Description: Singer Original Vintage Products Parts intended for Kenmore Sewing Machine Parts Diagram, image size 640 X 493 px, and to view image details please click the image.. Honestly, we also have been remarked that kenmore sewing machine parts diagram is being just about the most popular issue at this time. So we attempted to find some good kenmore sewing machine parts diagram graphic ...
The tensioner was not working, but information on that machine is scarce. I did a google images search for sewing machine tension assembly diagrams and found this blog. The tension assembly installed on my Necchi is almost identical to the Kenmore 158. Thanks to you, I now have a functional tension assembly on my Necchi.

Kenmore sewing machine tension assembly diagram
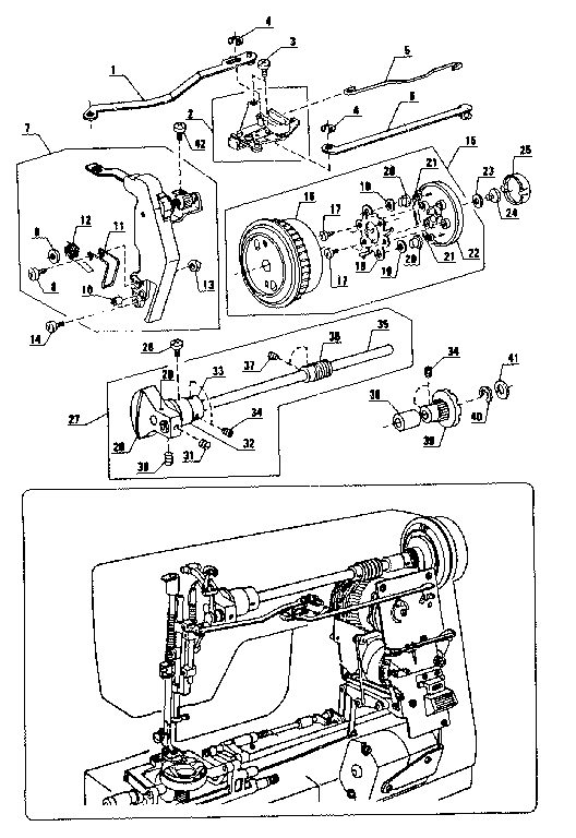
Kenmore sewing machine drop in bobbin tension adjusting problems looped stitches are usually caused by improper tension. Sort by grid view list view. For the big size buttons need use a method of sewing on buttons on the leg. This collection contains upper tension assemblys and parts for kenmore sewing machines. Do you have a diagram of the thread tension assembly for Sears-Kenmore Model 158-13160. I have it apart but - Answered by a verified Small Appliance Technician We use cookies to give you the best possible experience on our website. Find the Sears Kenmore sewing machine parts you need to fix any sewing machine failure. We have Kenmore sewing machine 385 parts and accessories as well as parts for other Kenmore models. Use the Kenmore sewing machine parts diagram for your model to look up the replacement parts you need to keep your machine running in top condition.
Kenmore sewing machine tension assembly diagram. Kenmore 385.12490 Tension Assembly. The Wednesday sewing group that I belong to was gifted a frozen Kenmore 385.12490. After hours of cleaning, Tri-Flow baths, and lubing, she is all cleaned and running nicely. I foolishly decided to remove the tension assembly and clean the tension discs prior to testing her out with thread. Kenmore 15817810 sewing machine parts - manufacturer-approved parts for a proper fit every time! We also have installation guides, diagrams and manuals to help you along the way! Kenmore Part - Tension Assembly - Pristine. Kenmore Sewing Machine Parts We carry replacement parts, repair parts and accessories for You depend on your Kenmore sewing machine for hobby projects, to mend clothing and to create unique items for gifts. Parts Diagram For Craftsman 24" Snow Thrower Click to Chat We're available to chat. Come see all the gorgeous restored sewing machines at: http://StagecoachRoadSewing.ComHow to service the tension assembly on late 1960s, early 1970s Kenmore ...
Kenmore 15818800 mechanical sewing machine parts - manufacturer-approved parts for a proper fit every time! We also have installation guides, diagrams and manuals to help you along the way! In this video you will see how does thread tensioner work and its parts and how disassemble a Thread Tensioner. Want to know what is a tension assembly? Watc... Kenmore Sewing Machine Parts We carry replacement parts, repair parts and accessories for You depend on your Kenmore sewing machine for hobby projects, to mend clothing and to create unique items for gifts. Parts Diagram For Craftsman 24" Snow Thrower Click to Chat We're available to chat. I need a tension assembly diagram for a kenmore sewing ... Kenmore sewing machine tension assembly diagram. I did a google images search for sewing machine tension assembly diagrams and found this blog. Sort by grid view list view. My mom gave me the machine and there is no manual for it. Kenmore thread tension assembly parts. Maybe a diagram showing the correct assembly.
I need a tension assembly diagram for a kenmore sewing machine 158.16250. I have all parts but need to know how to put it back together. Report This by Manage My Life. December 9th, 2010. Share it! ... This tension assembly is normally purchased as completely assembled. Tension Assembly (Pull Up), Kenmore #MO-2052 Details. Kenmore Upper Tension Assembly - Spring pulls up (11/16" Barrel Width) Guaranteed to fit Kenmore Sewing Machine Models: Sometimes, the inner parts need to be oiled or the entire machine might need to be cleaned and calibrated by a professional. If you sew a great deal or if your machine sits idle a lot, both situations will usually require some servicing to keep your Kenmore sewing machine and its tension in perfect working condition. Tip. Tips for Choosing a Sewing Machine. How to choose your first sewing machine. A few key features of sewing machines you need to know necessarily. How to Sew a Button by Hand. Learn how to sew a flat button having two or four holes. For the big size buttons need use a method of sewing on buttons "on the leg". How a Sewing Machine Works. Learn how ...
Find the Sears Kenmore sewing machine parts you need to fix any sewing machine failure. We have Kenmore sewing machine 385 parts and accessories as well as parts for other Kenmore models. Use the Kenmore sewing machine parts diagram for your model to look up the replacement parts you need to keep your machine running in top condition.
Do you have a diagram of the thread tension assembly for Sears-Kenmore Model 158-13160. I have it apart but - Answered by a verified Small Appliance Technician We use cookies to give you the best possible experience on our website.
Kenmore sewing machine drop in bobbin tension adjusting problems looped stitches are usually caused by improper tension. Sort by grid view list view. For the big size buttons need use a method of sewing on buttons on the leg. This collection contains upper tension assemblys and parts for kenmore sewing machines.

Beginner S Guide To Sewing Sewing Machine Parts Reference Guide Sewing Parts Online Everything Sewing Delivered Quickly To Your Door

Amazon Com Janome Blue Couture Easy To Use Sewing Machine With Interior Metal Frame Bobbin Diagram Tutorial Videos Made With Beginners In Mind
Vintage Original Kenmore Upper Thread Tension Assembly Fits Model 148 Central Michigan Sewing Supplies Inc

Buy Heepdd 3pcs Thread Tension Assembly Industrial Sewing Machine Thread Tension Regulator Assembly Sew Machine Accessory Online In Canada B07zfxwcvw

Image Result For Kenmore Sewing Machine Tension Assembly Diagram Sewing Machine Tension Kenmore Sewing Machine

A Tutorial Kenmore Upper Tension Assembly How To Disassemble And Reassemble It The Right Way Professionally Restored Vintage Fine Quality Sewing Machines
0 Response to "40 kenmore sewing machine tension assembly diagram"
Post a Comment