Iklan 300x250

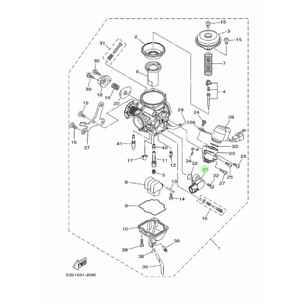
38 keihin cvk carb parts diagram

Keihin CVK32 Disassembly. Tools Needed: Long shank #3 Philips screwdriver, 8mm wrench, 3mm Allen wrench, Thin long shank flat blade screwdriver, toothpick or similar implement and optional items; silicone grease and Pin gage set. Front view, compliance fitting side. Left side view. The Keihin CVK-40 Carburetor; 8 comments; Refresh. Post a comment. Refresh. Post a comment. Anonymous User. Sunday, February 18 2018 @ 03:32 AM PST "These pin holes allow air from the air jet to premix with fuel from the fuel jet to start the mixture emulsification process before it enters the venturi. ...

KEIHIN CV CARBURETOR PARTS. We stock most replacement parts for the Keihin CV (Constant Vacuum) carburetor, including the rubber membrane for the throttle slide and a screw to adjust the air/fuel mixture, parts that even Harley-Davidson does not supply. All parts fit the Keihin CV on 1988-2006 Sportster, 1990-2000 Evolution Big Twin and 1999 ...

Keihin cvk carb parts diagram

Keihin cvk carb parts diagram

18mm Carburetor Carbs Keihin CVK PD18J Motorcycle For 4 Stroke GY6 50CC 139QMB 139QMA Scooter Jonway Baja Jmstar Lance NST Peace Banzer Barton Zipp Romet August 20, 2019 For Keihin PE28 28mm,KIMISS Carburetor Carb Fits for Honda CR80 CR80RB 1996-2002 CR85 CR85R 2003 Keihin cv carburetor parts breakdown. Genuine James Carb Rebuild Kit for Keihin CV - 27006-88 Part #: H170424 Mfg Part #: 27006-88 $ 11.95 (16) so you can rest assured that we have your back when it comes to bringing you the best Carburetor - Parts for your Harley-Davidson. All orders over $89 receive Free shipping. Keihin CVK carburetor parts and rebuild kits. On this page you will find all currently available parts for the Keihin CVK range carburetors. We are still very much expanding our parts offerings for these carburettors so please contact us by email if the part that you are looking for is not yet listed. Our Contact Page can be found HERE.

Keihin cvk carb parts diagram. Nov 30, 2021 · Keihin cvk carburetor diagram Precision American made main jets for Harley CV and CVK carburetor s. Sizes #170, 175, 180, 185, 190, 195, and 200.CVP jet quality exceeds OEM and imported carburetor jets.Note: Main jets supplied by CVP are sized to original OE specifications from H-D and Keihin . Instagram: https://www.instagram.com/kostass_dimou/?hl=elKEIHIN CVK carburetor rebuild Keihin CR special parts. O-rings / gaskets Jets Jet needles Spigots / adapters / stacks Other Keihin PWK / PJ / PWM / PE parts. Rebuild kits › General Honda Kawasaki Suzuki Yamaha O-rings / gaskets Jets Jet needles Choke › Constant Velocity Keihin, CVK Carburetor diagram patched, used Liquid Tape, applied layers until the hole was sealed, watching enrichment circuit work, 2000...

Sudco International Corp. 2410 S. Sequoia Drive Compton, CA 90220 . Tel.(310) 637-8330 • Fax (310) 637-8331. Email: sudco@sudco.com. Quick Links. Dealer's Application SHU.M-T Main Jet Kit Compatible for CVK PE PZ Keihin Carburetor CB CG Gy6 Motorcycle Engine Main Injectors Nozzle(#60#62#65#68#70) Product Description & Features: Compatible for. Read more. QWORK Carburetor Main Jet, 16 Pcs Set Carb Jet Fit Replacement for PWK OKO CVK. April 3, 2021 CarbGuy Parts. Dec 01, 2018 · Keihin CVK40. Keihin cvk36 carburetor diagram You search Auto repair manual PDF keihin cvk36 carburetor diagram, if there are search results will appear below. Rational cpc102g manual. The new Rational CombiMaster Plus - multi-talented, reliable, and easy to use. I spoke with a Crutchfield rep that helped answer some of my questions regarding ... Keihin carb diagram

Keihin CVK carburetor parts and rebuild kits. On this page you will find all currently available parts for the Keihin CVK range carburetors. We are still very much expanding our parts offerings for these carburettors so please contact us by email if the part that you are looking for is not yet listed. Our Contact Page can be found HERE. Keihin cv carburetor parts breakdown. Genuine James Carb Rebuild Kit for Keihin CV - 27006-88 Part #: H170424 Mfg Part #: 27006-88 $ 11.95 (16) so you can rest assured that we have your back when it comes to bringing you the best Carburetor - Parts for your Harley-Davidson. All orders over $89 receive Free shipping. 18mm Carburetor Carbs Keihin CVK PD18J Motorcycle For 4 Stroke GY6 50CC 139QMB 139QMA Scooter Jonway Baja Jmstar Lance NST Peace Banzer Barton Zipp Romet August 20, 2019 For Keihin PE28 28mm,KIMISS Carburetor Carb Fits for Honda CR80 CR80RB 1996-2002 CR85 CR85R 2003

0 Response to "38 keihin cvk carb parts diagram"

Post a Comment

Iklan Atas Artikel

Iklan Tengah Artikel 1

Iklan Tengah Artikel 2

Iklan Bawah Artikel